ГОСТ 11176-71 Развертки сборные насадные с привернутыми ножами, оснащенными пластинами из твердого сплава. Конструкция и размеры
ГОСТ
Скачать ГОСТ в PDF или DOC бесплатно
Основная информация
Обозначение:
ГОСТ 11176-71
Статус:
Действует
Тип:
ГОСТ
Название русское:
Развертки сборные насадные с привернутыми ножами, оснащенными пластинами из твердого сплава. Конструкция и размеры
Название английское:
Blade carbide tipped machine reamers. Design and dimensions
Даты и сроки
Дата издания:
06-01-84
Дата введения в действие:
06-30-72
Дата завершения срока действия:
-
Применение и описание
Область и условия применения:
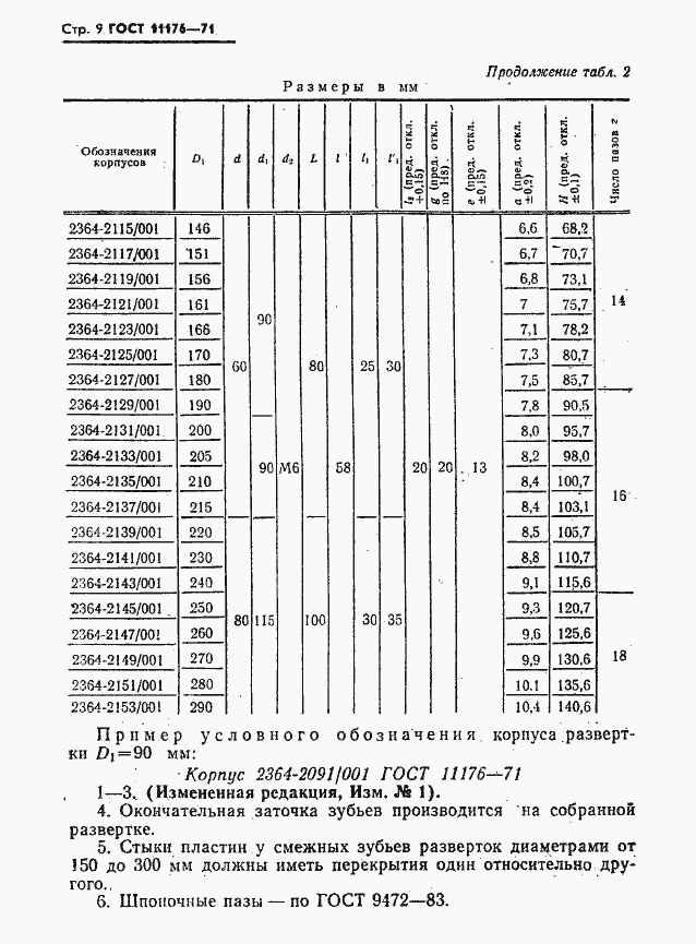
Настоящий стандарт распространяется на сборные насадные развертки с привернутыми ножами, оснащенными пластинами из твердого сплава чистовые - для обработки отверстий с полями допусков G6, H6, Js6, K6, G7, H7, Js7, K7, M7, N7, P7, E8, F8, H8, D9, E9, F9, H9, H10, H11; с припуском под доводку № 1, 2, 3, 4, 5, 6; черновые - для обработки отверстий с полем допуска U8
Связи и замены
Заменяющий:
-
Взамен:
ГОСТ 11176-65;МН 1850-61;МН 1851-61
Изменения и переиздания
Список изменений:
№1 от (рег. ) «Срок действия продлен»
Описание стандарта
ГОСТ 11176-71 Развертки сборные насадные с привернутыми ножами, оснащенными пластинами из твердого сплава. Конструкция и размеры
Страницы стандарта















