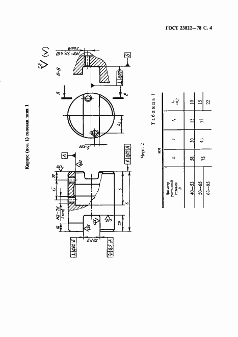
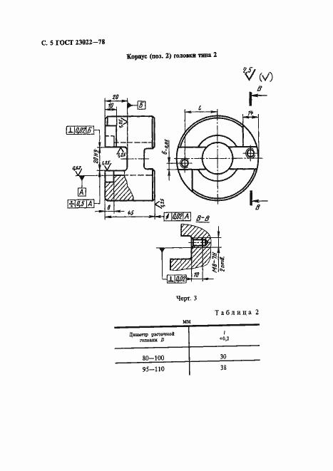
ГОСТ 23022-78 Головки расточные двухрезцовые. Типы и основные размеры
ГОСТ
Скачать ГОСТ в PDF или DOC бесплатно
Основная информация
Обозначение:
ГОСТ 23022-78
Статус:
Действует
Тип:
ГОСТ
Название русское:
Головки расточные двухрезцовые. Типы и основные размеры
Название английское:
Double cartridge boring heads. Types and basic dimensions
Даты и сроки
Дата издания:
01-01-95
Дата введения в действие:
01-01-80
Дата завершения срока действия:
-
Применение и описание
Область и условия применения:
Настоящий стандарт распространяется на двухрезцовые расточные головки, предназначенные для обработки отверстий и подрезки торцев деталей на станках с программным управлением и на универсальных станках
Связи и замены
Заменяющий:
-
Изменения и переиздания
Список изменений:
№1 от (рег. ) «Срок действия продлен»
Описание стандарта
ГОСТ 23022-78 Головки расточные двухрезцовые. Типы и основные размеры
Страницы стандарта







