ГОСТ 24252-80 Пластины режущие сменные многогранные твердосплавные квадратной формы с задним углом и стружколомающими канавками. Конструкция и размеры
ГОСТ
Скачать ГОСТ в PDF или DOC бесплатно
Основная информация
Обозначение:
ГОСТ 24252-80
Статус:
Действует
Тип:
ГОСТ
Название русское:
Пластины режущие сменные многогранные твердосплавные квадратной формы с задним углом и стружколомающими канавками. Конструкция и размеры
Название английское:
Square throw-away (indexable) carbide cutting inserts with end-clearance angle and chip-breaking flutes. Design and dimensions
Даты и сроки
Дата издания:
09-01-06
Дата введения в действие:
01-01-82
Дата завершения срока действия:
-
Применение и описание
Область и условия применения:
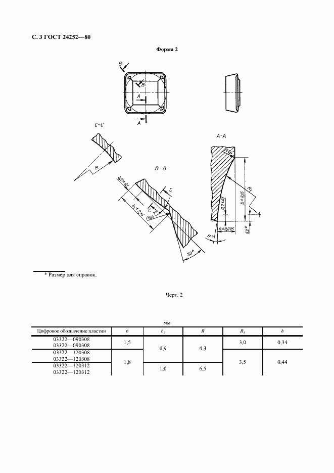
Настоящий стандарт устанавливает конструкцию и размеры пластин режущих сменных многогранных твердосплавных квадратной формы с задним углом и стружколомающими канавками
Связи и замены
Заменяющий:
-
Изменения и переиздания
Список изменений:
№1 от (рег. ) «Срок действия продлен» №2 от (рег. ) «Срок действия продлен»
Описание стандарта
ГОСТ 24252-80 Пластины режущие сменные многогранные твердосплавные квадратной формы с задним углом и стружколомающими канавками. Конструкция и размеры
Страницы стандарта





