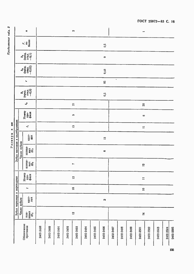
ГОСТ 25972-83 Протяжки для восьмишлицевых отверстий с прямобочным профилем с центрированием по внутреннему диаметру комбинированные переменного резания двухпроходные. Конструкция и размеры
ГОСТ
Скачать ГОСТ в PDF или DOC бесплатно
Основная информация
Обозначение:
ГОСТ 25972-83
Статус:
Действует
Тип:
ГОСТ
Название русское:
Протяжки для восьмишлицевых отверстий с прямобочным профилем с центрированием по внутреннему диаметру комбинированные переменного резания двухпроходные. Конструкция и размеры
Название английское:
Combined alternatives double driven broaches for 8 slitting holes with straightside profile and centring at internal diameter. Design and dimensions
Даты и сроки
Дата издания:
01-01-94
Дата введения в действие:
01-01-86
Дата завершения срока действия:
-
Применение и описание
Область и условия применения:
Настоящий стандарт распространяется на комбинированные двухпроходные протяжки переменного резания универсального назначения, предназначенные для обработки восьмишлицевых втулок с прямобочным профилем с центрированием по внутреннему диаметру
Связи и замены
Заменяющий:
-
Взамен:
МН 4265-63
Изменения и переиздания
Список изменений:
№1 от (рег. ) «Срок действия продлен» №2 от (рег. ) «Срок действия продлен»
Описание стандарта
ГОСТ 25972-83 Протяжки для восьмишлицевых отверстий с прямобочным профилем с центрированием по внутреннему диаметру комбинированные переменного резания двухпроходные. Конструкция и размеры
Страницы стандарта






























