ГОСТ 26004-83 Круги алмазные отрезные с внутренней режущей кромкой. Технические условия
ГОСТ
Скачать ГОСТ в PDF или DOC бесплатно
Основная информация
Обозначение:
ГОСТ 26004-83
Статус:
Действует
Тип:
ГОСТ
Название русское:
Круги алмазные отрезные с внутренней режущей кромкой. Технические условия
Название английское:
Diamond cut-off wheels with interior cuts. Specifications
Даты и сроки
Дата издания:
02-23-84
Дата введения в действие:
06-30-85
Дата завершения срока действия:
-
Применение и описание
Область и условия применения:
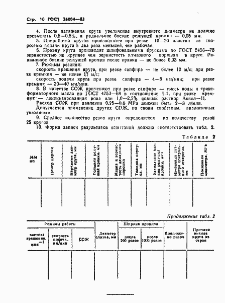
Настоящий стандарт распространяется на алмазные отрезные круги с внутренней режущей кромкой для резки полупроводниковых материалов, кварца, сапфира, керамики, изготовляемые для нужд народного хозяйства и экспорта
Связи и замены
Заменяющий:
-
Изменения и переиздания
Список изменений:
№1 от (рег. ) «Срок действия продлен»
Описание стандарта
ГОСТ 26004-83 Круги алмазные отрезные с внутренней режущей кромкой. Технические условия
Страницы стандарта
















