ГОСТ 883-80 Развертки машинные со вставными ножами из быстрорежущей стали. Типы и основные размеры
ГОСТ
Скачать ГОСТ в PDF или DOC бесплатно
Основная информация
Обозначение:
ГОСТ 883-80
Статус:
Действует
Тип:
ГОСТ
Название русское:
Развертки машинные со вставными ножами из быстрорежущей стали. Типы и основные размеры
Название английское:
Machine reamers with hss blades. Design and dimenges
Даты и сроки
Дата издания:
11-01-02
Дата введения в действие:
01-01-82
Дата завершения срока действия:
-
Применение и описание
Область и условия применения:
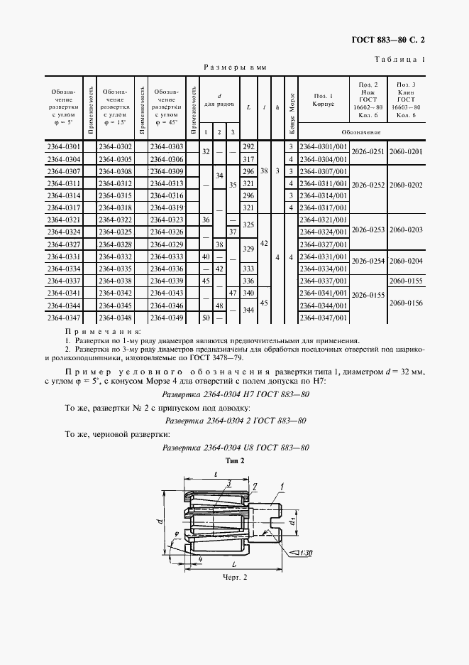
Настоящий стандарт распространяется на машинные развертки со вставными ножами из быстрорежущей стали: чистовые, черновые и с припуском под доводку
Связи и замены
Заменяющий:
-
Взамен:
ГОСТ 883-71
Изменения и переиздания
Список изменений:
№1 от (рег. ) «Срок действия продлен»
Описание стандарта
ГОСТ 883-80 Развертки машинные со вставными ножами из быстрорежущей стали. Типы и основные размеры
Страницы стандарта







