ГОСТ 9740-71 Плашки круглые. Технические условия
ГОСТ
Скачать ГОСТ в PDF или DOC бесплатно
Основная информация
Обозначение:
ГОСТ 9740-71
Статус:
Действует
Тип:
ГОСТ
Название русское:
Плашки круглые. Технические условия
Название английское:
Circular screw dies. Specifications
Даты и сроки
Дата издания:
10-01-96
Дата введения в действие:
06-30-73
Дата завершения срока действия:
-
Применение и описание
Область и условия применения:
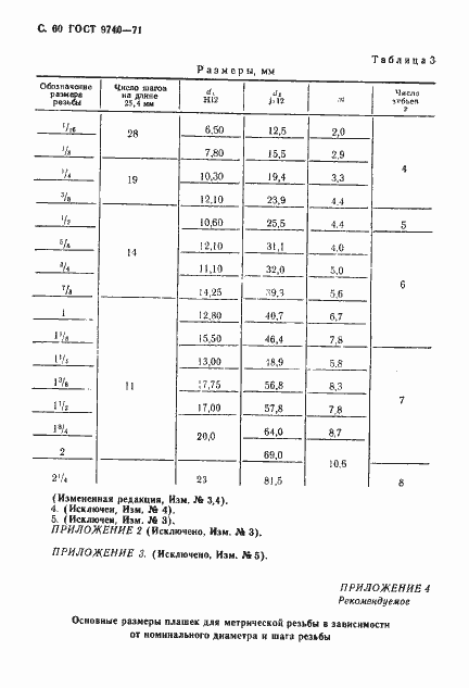
Настоящий стандарт распространяется на ручные и машинные плашки, предназначенные для нарезания метрической резьбы от М1 до М68 по ГОСТ 24705, 6 и 8-й степеней точности и трубной цилиндрической резьбы от G 1/16 до G 2 1/4 по ГОСТ 6357 классов точности А и В
Связи и замены
Заменяющий:
-
Взамен:
ГОСТ 9740-62;МН 5710-65;МН 5711-65;МН 5712-65;МН 5713-65;МН 5714-65
Изменения и переиздания
Список изменений:
№1 от (рег. ) «Срок действия продлен» №2 от (рег. ) «Срок действия продлен» №3 от (рег. ) «Поправка» №4 от (рег. ) «Срок действия продлен» №5 от (рег. ) «Срок действия продлен»
Описание стандарта
ГОСТ 9740-71 Плашки круглые. Технические условия
Страницы стандарта
































































