ГОСТ Р 56578-2015 Головки шлифовальные. Технические условия
ГОСТ Р
Скачать ГОСТ в PDF или DOC бесплатно
Основная информация
Обозначение:
ГОСТ Р 56578-2015
Статус:
Действует
Тип:
ГОСТ Р
Название русское:
Головки шлифовальные. Технические условия
Название английское:
Mounted wheels. Specifications
Даты и сроки
Дата издания:
05-20-20
Дата введения в действие:
07-01-16
Дата завершения срока действия:
-
Применение и описание
Область и условия применения:
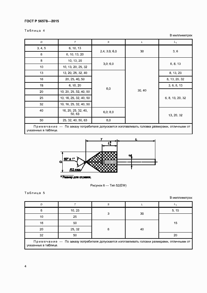
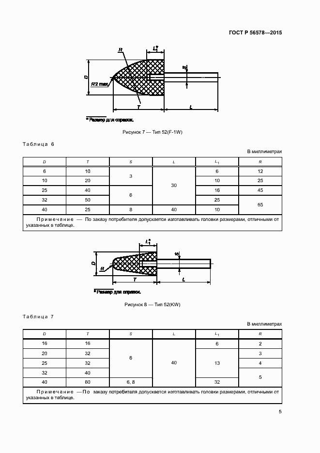
Настоящий стандарт распространяется на шлифовальные головки из электрокорундовых (А), карбидкремниевых (С) материалов на керамической связке (V)
Связи и замены
Заменяющий:
-
Описание стандарта
ГОСТ Р 56578-2015 Головки шлифовальные. Технические условия
Страницы стандарта











