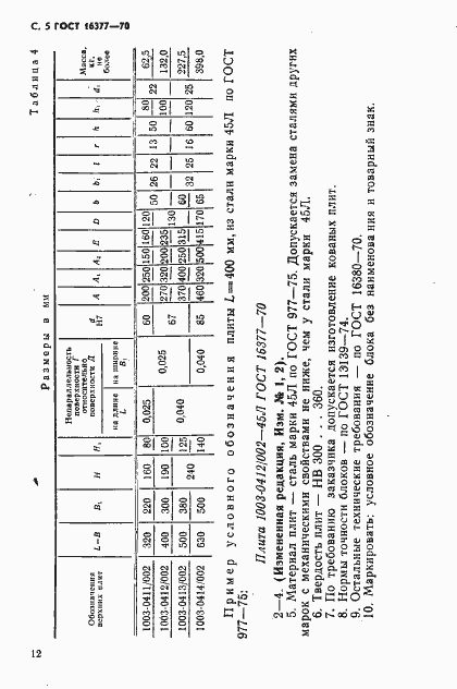
ГОСТ 16377-70 Блоки калибровочных штампов с задним расположением направляющих колонок. Конструкция и размеры
ГОСТ
Скачать ГОСТ в PDF или DOC бесплатно
Основная информация
Обозначение:
ГОСТ 16377-70
Статус:
Действует
Тип:
ГОСТ
Название русское:
Блоки калибровочных штампов с задним расположением направляющих колонок. Конструкция и размеры
Название английское:
Die blocks of sizing dies with rear location of guide posts. Construction and dimensions
Даты и сроки
Дата издания:
02-01-88
Дата введения в действие:
01-01-72
Дата завершения срока действия:
-
Применение и описание
Область и условия применения:
Настоящий стандарт распространяется на блоки штампов с задним расположением направляющих колонок, предназначенных для калибровки на чеканочных прессах
Связи и замены
Заменяющий:
-
Взамен:
МН 4558-63
Изменения и переиздания
Список изменений:
№1 от (рег. ) «Срок действия продлен» №2 от (рег. ) «Срок действия продлен»
Описание стандарта
ГОСТ 16377-70 Блоки калибровочных штампов с задним расположением направляющих колонок. Конструкция и размеры
Страницы стандарта





