ГОСТ 18767-80 Устройства прижимные. Конструкция и размеры
ГОСТ
Скачать ГОСТ в PDF или DOC бесплатно
Основная информация
Обозначение:
ГОСТ 18767-80
Статус:
Действует
Тип:
ГОСТ
Название русское:
Устройства прижимные. Конструкция и размеры
Название английское:
Holding down devices. Design and dimensions
Даты и сроки
Дата издания:
12-01-86
Дата введения в действие:
01-01-82
Дата завершения срока действия:
-
Применение и описание
Область и условия применения:
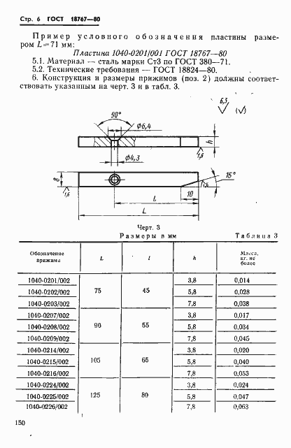
Настоящий стандарт устанавливает конструкцию и размеры прижимных устройств
Связи и замены
Заменяющий:
-
Взамен:
ГОСТ 18767-73
Изменения и переиздания
Список изменений:
№1 от (рег. ) «Срок действия продлен»
Описание стандарта
ГОСТ 18767-80 Устройства прижимные. Конструкция и размеры
Страницы стандарта








