ГОСТ 19963-74 Замки пресс-форм для выплавляемых моделей. Конструкция и размеры
ГОСТ
Скачать ГОСТ в PDF или DOC бесплатно
Основная информация
Обозначение:
ГОСТ 19963-74
Статус:
Действует
Тип:
ГОСТ
Название русское:
Замки пресс-форм для выплавляемых моделей. Конструкция и размеры
Название английское:
Locks for wax-pattern dies. Design and dimensions
Даты и сроки
Дата издания:
04-01-82
Дата введения в действие:
01-01-76
Дата завершения срока действия:
-
Применение и описание
Область и условия применения:
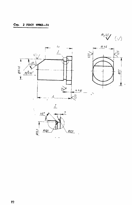
Настоящий стандарт распространяется на замки, применяемые в пресс-формах, устанавливаемых на автоматах для изготовления модельных звеньев в автоматизированном производстве литья по выплавляемым моделям
Связи и замены
Заменяющий:
-
Взамен:
МН 4333-63;МН 4337-63
Изменения и переиздания
Список изменений:
№1 от (рег. ) «Срок действия продлен»
Описание стандарта
ГОСТ 19963-74 Замки пресс-форм для выплавляемых моделей. Конструкция и размеры
Страницы стандарта





