ГОСТ 21301-75 Соединения направляющие с зажимом для нагреваемых стержневых ящиков. Конструкция и размеры
ГОСТ
Скачать ГОСТ в PDF или DOC бесплатно
Основная информация
Обозначение:
ГОСТ 21301-75
Статус:
Действует
Тип:
ГОСТ
Название русское:
Соединения направляющие с зажимом для нагреваемых стержневых ящиков. Конструкция и размеры
Название английское:
Guide joinings with clamp for heated core boxes. Design and dimensions
Даты и сроки
Дата издания:
01-01-01
Дата введения в действие:
01-01-77
Дата завершения срока действия:
-
Применение и описание
Область и условия применения:
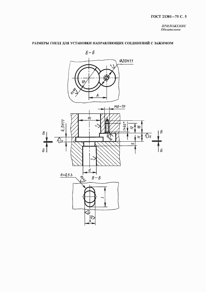
Настоящий стандарт устанавливает конструкцию и размеры направляющих соединений с зажимом
Связи и замены
Заменяющий:
-
Изменения и переиздания
Список изменений:
№1 от (рег. ) «Срок действия продлен»
Описание стандарта
ГОСТ 21301-75 Соединения направляющие с зажимом для нагреваемых стержневых ящиков. Конструкция и размеры
Страницы стандарта






