ГОСТ 2133-75 Опоки литейные. Типы и основные размеры
ГОСТ
Скачать ГОСТ в PDF или DOC бесплатно
Основная информация
Обозначение:
ГОСТ 2133-75
Статус:
Действует
Тип:
ГОСТ
Название русское:
Опоки литейные. Типы и основные размеры
Название английское:
Foundry boxes. Types and basic dimensions
Даты и сроки
Дата издания:
01-19-76
Дата введения в действие:
01-01-77
Дата завершения срока действия:
-
Применение и описание
Область и условия применения:
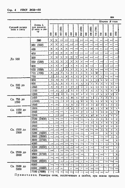
Настоящий стандарт распространяется на линейные опоки, предназначенные для изготовления песчаных форм машинной и ручной формовкой. Стандарт не распространяеся на съемные опоки для форм безопочной заливки
Связи и замены
Заменяющий:
-
Взамен:
ГОСТ 2133-57
Описание стандарта
ГОСТ 2133-75 Опоки литейные. Типы и основные размеры
Страницы стандарта









