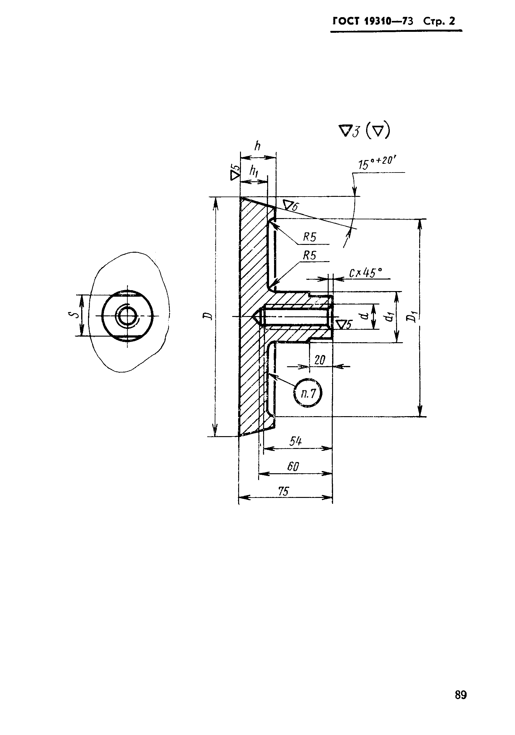
ГОСТ 19310-73 Выталкиватели для центробежных изложниц. Конструкция и размеры
ГОСТ
Скачать ГОСТ в PDF или DOC бесплатно
Основная информация
Обозначение:
ГОСТ 19310-73
Статус:
Заменен
Тип:
ГОСТ
Название русское:
Выталкиватели для центробежных изложниц. Конструкция и размеры
Название английское:
Pushers for centrifugal moulds. Construction and dimensions
Даты и сроки
Дата издания:
03-26-74
Дата введения в действие:
01-01-75
Дата завершения срока действия:
01-01-00
Связи и замены
Заменяющий:
ГОСТ 19310-98
Взамен:
МН 4191-62
Изменения и переиздания
Список изменений:
№1 от (рег. ) «Срок действия продлен»
Описание стандарта
ГОСТ 19310-73 Выталкиватели для центробежных изложниц. Конструкция и размеры
Страницы стандарта




