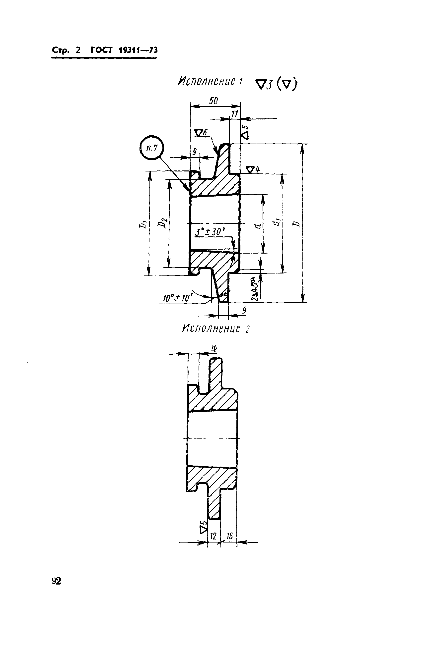
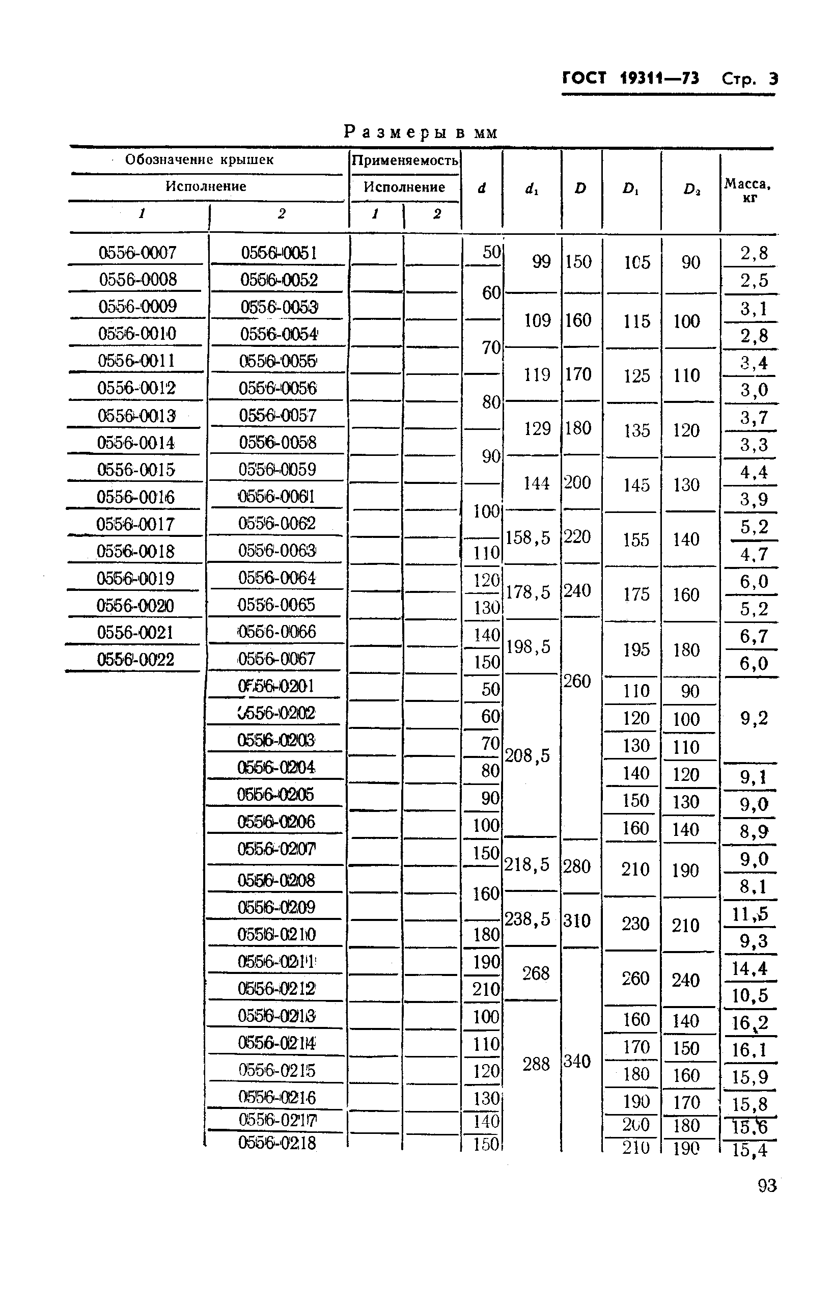
ГОСТ 19311-73 Крышки для центробежных изложниц. Конструкция и размеры
ГОСТ
Скачать ГОСТ в PDF или DOC бесплатно
Основная информация
Обозначение:
ГОСТ 19311-73
Статус:
Заменен
Тип:
ГОСТ
Название русское:
Крышки для центробежных изложниц. Конструкция и размеры
Название английское:
Caps for centrifugal moulds. Construction and dimensions
Даты и сроки
Дата издания:
03-26-74
Дата введения в действие:
01-01-75
Дата завершения срока действия:
01-01-00
Связи и замены
Заменяющий:
ГОСТ 19311-98
Взамен:
МН 4192-62;МН 4193-62
Изменения и переиздания
Список изменений:
№1 от (рег. ) «Срок действия продлен»
Описание стандарта
ГОСТ 19311-73 Крышки для центробежных изложниц. Конструкция и размеры
Страницы стандарта




