ГОСТ 9224-89 Автоматы для холодной навивки пружин. Параметры. Нормы точности
ГОСТ
Скачать ГОСТ в PDF или DOC бесплатно
Основная информация
Обозначение:
ГОСТ 9224-89
Статус:
Заменен
Тип:
ГОСТ
Название русское:
Автоматы для холодной навивки пружин. Параметры. Нормы точности
Название английское:
Automatic spring cold coil machines. Parameters. Norms of accuracy
Даты и сроки
Дата издания:
12-07-89
Дата введения в действие:
01-01-91
Дата завершения срока действия:
01-01-02
Применение и описание
Область и условия применения:
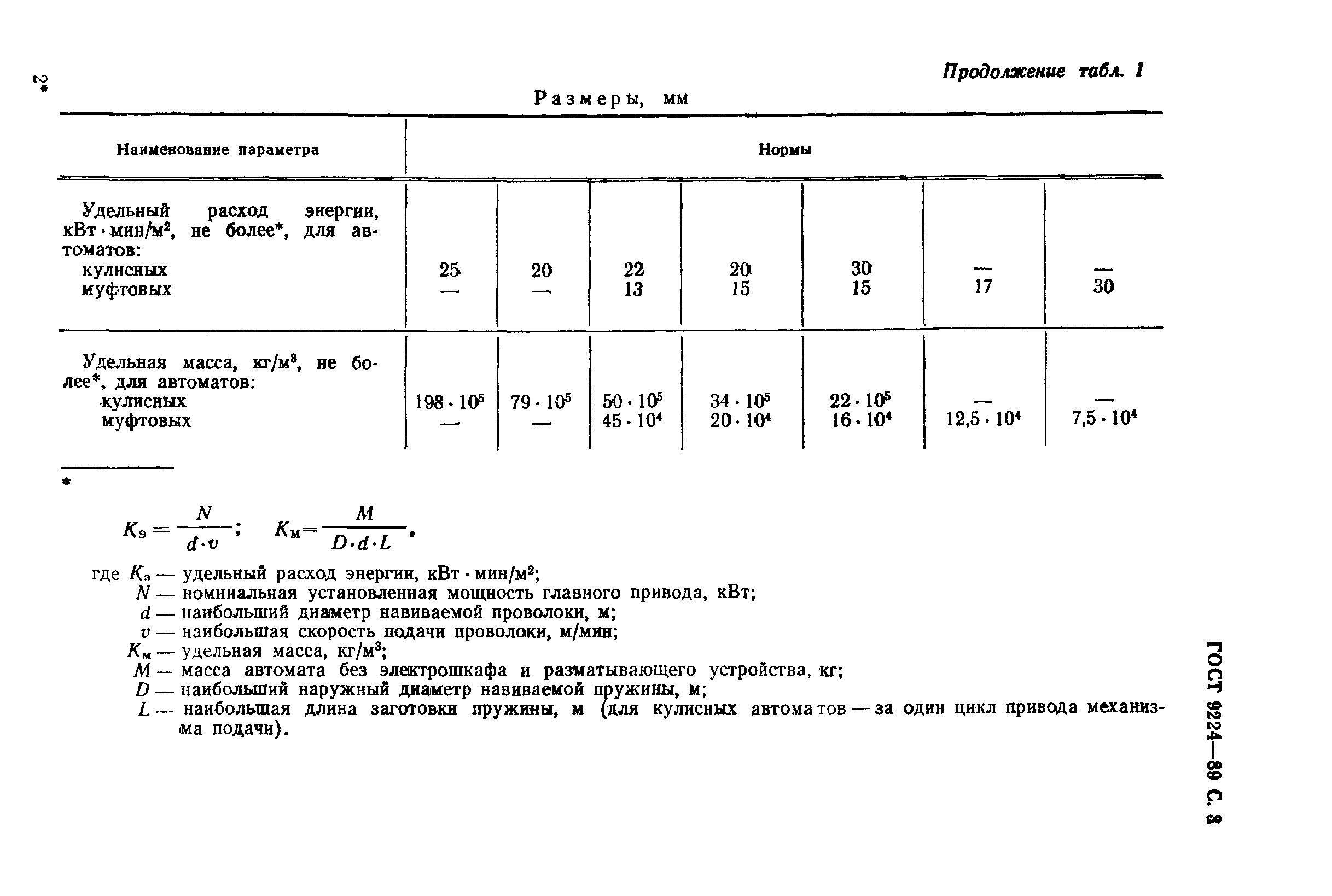
Настоящий стандарт распространяется на автоматы кулисного и муфтового видов для холодной правой и левой навивки цилиндрических, конических и бочкообразных пружин с постоянным и переменным шагом из проволоки круглого сечения, изготовляемые для нужд народного хозяйства и экспорта. Стандарт не распространяется на автоматы для холодной навивки корсетных пружин, автоматы для изготовления пружин кручения и автоматы с ЧПУ
Связи и замены
Заменяющий:
ГОСТ 9224-98
Взамен:
ГОСТ 9224-74;ГОСТ 10712-74
Описание стандарта
ГОСТ 9224-89 Автоматы для холодной навивки пружин. Параметры. Нормы точности
Страницы стандарта










