ГОСТ 26810-86 Инструмент слесарно-монтажный. Правила приемки
ГОСТ
Скачать ГОСТ в PDF или DOC бесплатно
Основная информация
Обозначение:
ГОСТ 26810-86
Статус:
Действует
Тип:
ГОСТ
Название русское:
Инструмент слесарно-монтажный. Правила приемки
Название английское:
Fittter tools. Acceptance rules
Даты и сроки
Дата издания:
12-01-93
Дата введения в действие:
01-01-87
Дата завершения срока действия:
-
Применение и описание
Область и условия применения:
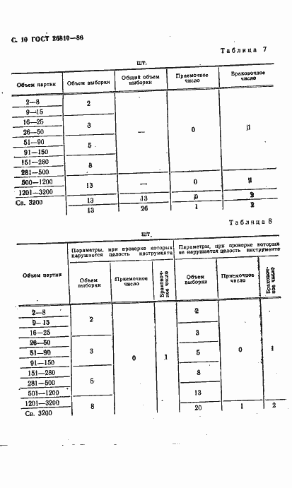
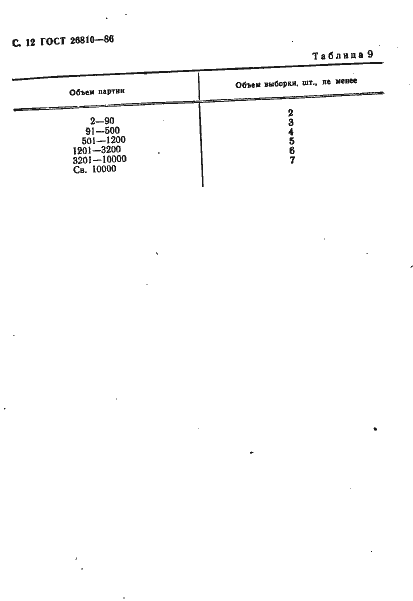
Настоящий стандарт распространяется на слесарно-монтажный металлообрабатывающий немеханизированный инструмент
Связи и замены
Заменяющий:
-
Изменения и переиздания
Список изменений:
№1 от (рег. ) «Срок действия продлен» №2 от (рег. ) «Срок действия продлен» №3 от (рег. ) «Срок действия продлен»
Описание стандарта
ГОСТ 26810-86 Инструмент слесарно-монтажный. Правила приемки
Страницы стандарта













