ГОСТ 26388-84 Соединения сварные. Методы испытаний на сопротивляемость образованию холодных трещин при сварке плавлением
ГОСТ
Скачать ГОСТ в PDF или DOC бесплатно
Основная информация
Обозначение:
ГОСТ 26388-84
Статус:
Действует только в РФ
Тип:
ГОСТ
Название русское:
Соединения сварные. Методы испытаний на сопротивляемость образованию холодных трещин при сварке плавлением
Название английское:
Welded joints. Test methods on resistance to cold crack formation under fusion welding
Даты и сроки
Дата издания:
02-25-85
Дата введения в действие:
01-01-86
Дата завершения срока действия:
-
Применение и описание
Область и условия применения:
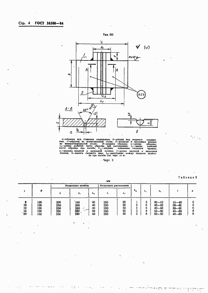
Стандарт устанавливает методы испытаний на сопротивляемость углеродистых и легированных сталей основного металла в зоне термического влияния и металла шва образованию холодных трещин при однопроходной сварке (в том числе при сварке корневого валика многослойных швов)
Связи и замены
Заменяющий:
-
Изменения и переиздания
Список изменений:
№0 от (рег. ) «Восстановлен на территории РФ»
Описание стандарта
ГОСТ 26388-84 Соединения сварные. Методы испытаний на сопротивляемость образованию холодных трещин при сварке плавлением
Страницы стандарта























