ГОСТ IEC 62135-1-2017 Оборудование для контактной сварки. Часть 1. Требования безопасности при проектировании, производстве и монтаже
ГОСТ МЭК
Скачать ГОСТ в PDF или DOC бесплатно
Основная информация
Обозначение:
ГОСТ IEC 62135-1-2017
Статус:
Действует
Тип:
ГОСТ МЭК
Название русское:
Оборудование для контактной сварки. Часть 1. Требования безопасности при проектировании, производстве и монтаже
Название английское:
Resistance welding eguipment. Part 1. Safety reguirements for design, manufacture and installation
Даты и сроки
Дата регистрации:
11-30-17
Дата издания:
10-07-20
Дата введения в действие:
03-01-19
Применение и описание
Область и условия применения:
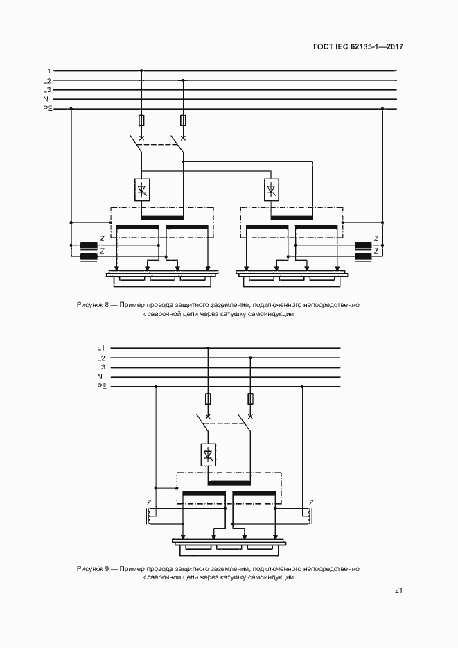
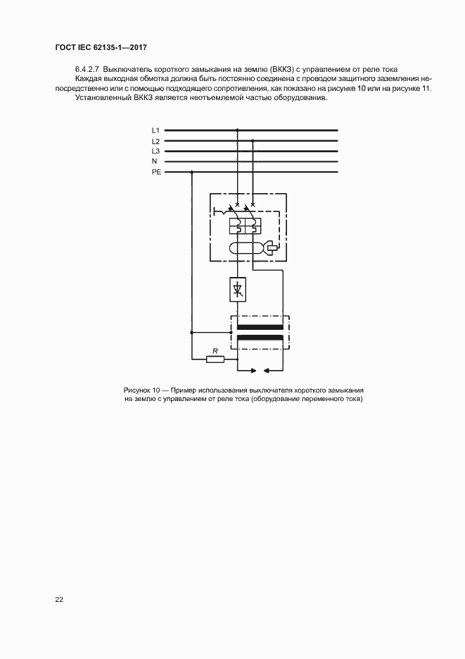
Настоящий стандарт применяется к оборудованию для контактной сварки и родственных процессов и включает в себя машины одноточечной и многоточечной сварки, которые могут загружаться и/или запускаться вручную или автоматически. В настоящем стандарте рассматривается стационарное и переносное оборудование. Настоящий стандарт устанавливает требования к электрической безопасности при проектировании, изготовлении и монтаже. Настоящий стандарт не распространяется на требования, не связанные с электрической безопасностью (например, помехи, вибрации). В настоящем стандарте не приводятся требования к электромагнитной совместимости (ЭМС), которые изложены в IEC 62135-2. Для подтверждения соответствия настоящему стандарту должна быть проведена оценка всех рисков безопасности, связанных с погрузкой, электропитанием, эксплуатацией и разгрузкой оборудования, где это применимо, при соблюдении требований соответствующих стандартов
Описание стандарта
ГОСТ IEC 62135-1-2017 Оборудование для контактной сварки. Часть 1. Требования безопасности при проектировании, производстве и монтаже
Страницы стандарта





























































Приложение №1: Поправка к ГОСТ IEC 62135-1-2017 Обозначение: Поправка к ГОСТ IEC 62135-1-2017 Дата введения в действие: 17.04.2020
