ГОСТ 17535-77 Детали приборов высокоточные металлические. Стабилизация размеров термической обработкой. Типовые технологические процессы
ГОСТ
Скачать ГОСТ в PDF или DOC бесплатно
Основная информация
Обозначение:
ГОСТ 17535-77
Статус:
Действует
Тип:
ГОСТ
Название русское:
Детали приборов высокоточные металлические. Стабилизация размеров термической обработкой. Типовые технологические процессы
Название английское:
Metal high precision parts of devices. Dimension stabilisation by heat treatment. Typical technological processes
Даты и сроки
Дата издания:
02-15-78
Дата введения в действие:
01-01-79
Дата завершения срока действия:
-
Применение и описание
Область и условия применения:
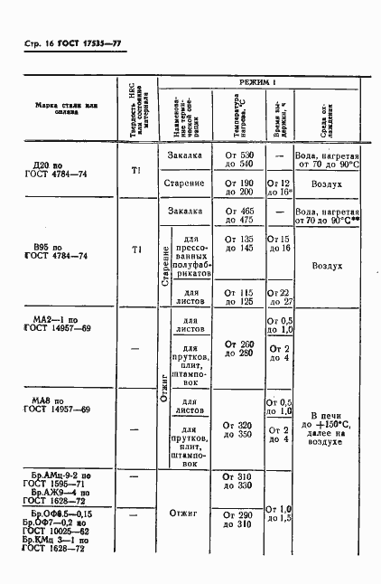
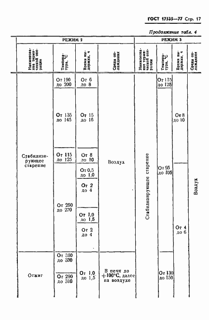
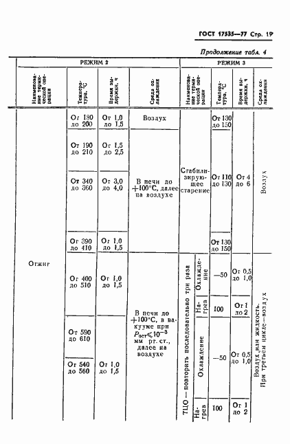
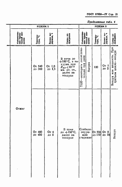
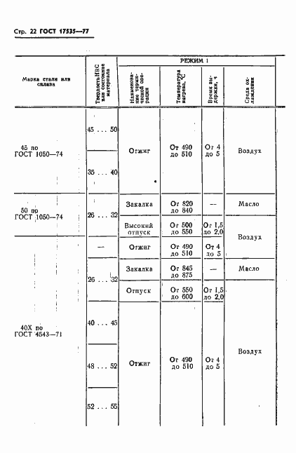
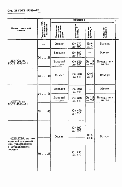
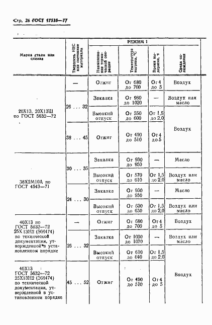
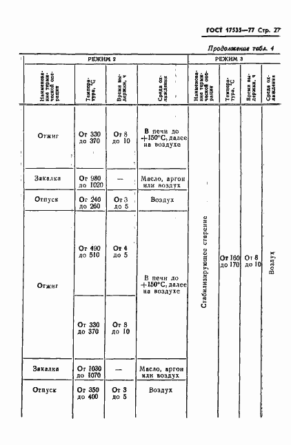
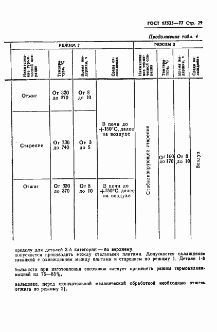
Настоящий стандарт распространяется на высокоточные металлические детали приборов с наибольшим размером до 600 мм и рабочей температурой до 100°С и устанавливает рекомендуемые типовые технологические процессы термической обработки, обеспечивающие стабилизацию размеров деталей приборов
Связи и замены
Заменяющий:
-
Взамен:
ГОСТ 17535-72
Изменения и переиздания
Список изменений:
№1 от (рег. ) «Срок действия продлен» №2 от (рег. ) «Срок действия продлен»
Описание стандарта
ГОСТ 17535-77 Детали приборов высокоточные металлические. Стабилизация размеров термической обработкой. Типовые технологические процессы
Страницы стандарта













































