ГОСТ 27708-88 Материалы и покрытия полимерные защитные дезактивируемые. Метод определения дезактивируемости
ГОСТ
Скачать ГОСТ в PDF или DOC бесплатно
Основная информация
Обозначение:
ГОСТ 27708-88
Статус:
Утратил силу в РФ
Тип:
ГОСТ
Название русское:
Материалы и покрытия полимерные защитные дезактивируемые. Метод определения дезактивируемости
Название английское:
Decontaminable protective polymeric materials and coatings. Method for testing the ease of decontamination
Даты и сроки
Дата издания:
08-05-88
Дата введения в действие:
06-30-89
Дата завершения срока действия:
01-01-10
Применение и описание
Область и условия применения:
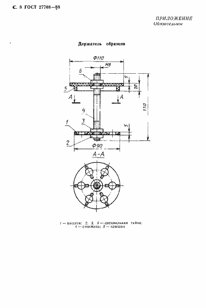
Настоящий стандарт распространяется на дезактивируемые защитные полимерные покрытия, полимерные конструкционные материалы и материалы для изготовления средств индивидуальной защиты: текстильные материалы (ткани, трикотажные и нетканые полотна); материалы с полимерным покрытием (искусственные кожи и прорезиненные ткани); пленочные полимерные материалы и устанавливает метод определения дезактивируемости покрытий, полимерных конструкционных материалов и материалов для изготовления средств индивидуальной защиты, применяемых в условиях радиоактивного загрязнения альфа- и бета-излучающими радионуклидами, основанный на измерении уровней радиоактивного загрязнения образцов до и после дезактивации
Связи и замены
Заменяющий:
-
Взамен:
ГОСТ 12.4.078-79
Изменения и переиздания
Список изменений:
№0 от (рег. ) «Поправка к изменению»
Описание стандарта
ГОСТ 27708-88 Материалы и покрытия полимерные защитные дезактивируемые. Метод определения дезактивируемости
Страницы стандарта










