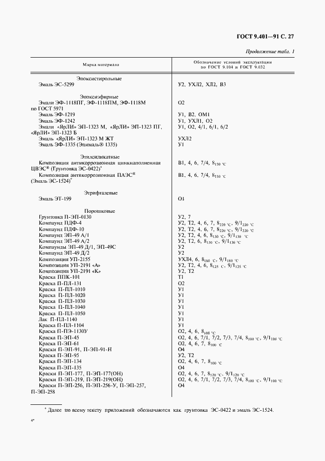
ГОСТ 9.401-91 Единая система защиты от коррозии и старения. Покрытия лакокрасочные. Общие требования и методы ускоренных испытаний на стойкость к воздействию климатических факторов
ГОСТ
Скачать ГОСТ в PDF или DOC бесплатно
Основная информация
Обозначение:
ГОСТ 9.401-91
Статус:
Заменен
Тип:
ГОСТ
Название русское:
Единая система защиты от коррозии и старения. Покрытия лакокрасочные. Общие требования и методы ускоренных испытаний на стойкость к воздействию климатических факторов
Название английское:
Unified system of corrosion and ageing protection. Paint coatings. General requirements and methods of accelerated tests on resistance to the action of climatic factors
Даты и сроки
Дата издания:
07-01-08
Дата введения в действие:
06-30-92
Дата завершения срока действия:
07-01-19
Применение и описание
Область и условия применения:
Настоящий стандарт устанавливает общие требования и методы ускоренных испытаний лакокрасочных покрытий металлических и неметаллических поверхностей изделий, предназначенных для условий эксплуатации по ГОСТ 9.104 (кроме В5) и типов атмосферы по ГОСТ 15150. Стандарт не распространяется на покрытия подводной части изделий судостроения
Связи и замены
Заменяющий:
ГОСТ 9.401-2018
Взамен:
ГОСТ 9.074-77;ГОСТ 9.401-89;ГОСТ 9.404-81
Изменения и переиздания
Список изменений:
№1 от (рег. ) «Срок действия продлен» №2 от (рег. ) «Текстовое изменение; Изменены ссылочные НД»
Описание стандарта
ГОСТ 9.401-91 Единая система защиты от коррозии и старения. Покрытия лакокрасочные. Общие требования и методы ускоренных испытаний на стойкость к воздействию климатических факторов
Страницы стандарта








































































































