ГОСТ Р 59979-2022 Единая энергетическая система и изолированно работающие энергосистемы. Релейная защита и автоматика. Автоматическое противоаварийное управление режимами энергосистем. Устройства локальной автоматики предотвращения нарушения устойчивости. Нормы и требования
ГОСТ Р
Скачать ГОСТ в PDF или DOC бесплатно
Основная информация
Обозначение:
ГОСТ Р 59979-2022
Статус:
Заменен
Тип:
ГОСТ Р
Название русское:
Единая энергетическая система и изолированно работающие энергосистемы. Релейная защита и автоматика. Автоматическое противоаварийное управление режимами энергосистем. Устройства локальной автоматики предотвращения нарушения устойчивости. Нормы и требования
Название английское:
United power system and isolated power systems. Relay protection and automation. Automatic emergency control of electric power systems. Local automation devices for preventing stability violations. Norms and requirements
Даты и сроки
Дата издания:
02-11-22
Дата введения в действие:
03-01-22
Дата завершения срока действия:
03-01-25
Применение и описание
Область и условия применения:
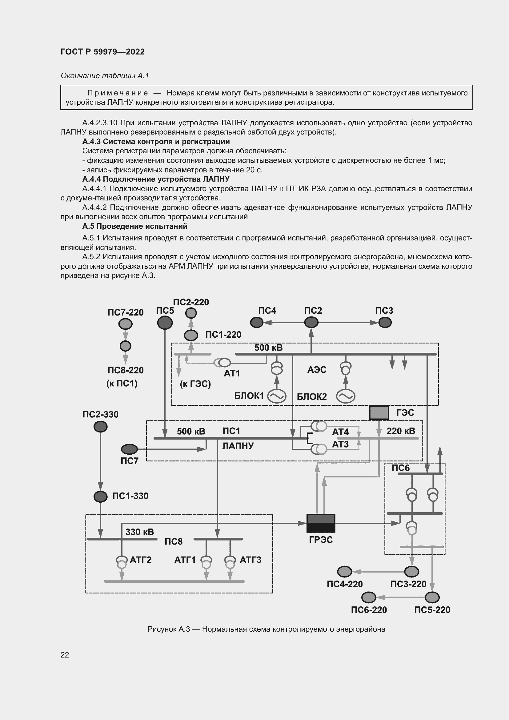
Настоящий стандарт устанавливает: - основные требования к микропроцессорным устройствам локальной автоматики предотвращения нарушения устойчивости (далее – устройства ЛАПНУ); - порядок и методику проведения испытаний устройств ЛАПНУ для проверки их соответствия указанным требованиям. Настоящий стандарт распространяется на субъектов оперативно-диспетчерского управления в электроэнергетике, собственников и иных законных владельцев электрических станций и объектов электросетевого хозяйства, на которых установлены устройства ЛАПНУ, организации, осуществляющие деятельность по разработке, изготовлению, созданию, модернизации, наладке, эксплуатации устройств и комплексов противоаварийной автоматики, разработке алгоритмов функционирования устройств и комплексов противоаварийной автоматики, проектные и научно-исследовательские организации
Связи и замены
Заменяющий:
ГОСТ Р 59979-2025
Описание стандарта
ГОСТ Р 59979-2022 Единая энергетическая система и изолированно работающие энергосистемы. Релейная защита и автоматика. Автоматическое противоаварийное управление режимами энергосистем. Устройства локальной автоматики предотвращения нарушения устойчивости. Нормы и требования
Страницы стандарта





































































































