ГОСТ Р 70358-2022 Единая энергетическая система и изолированно работающие энергосистемы. Релейная защита и автоматика. Требования к работе устройств релейной защиты линий электропередачи классом напряжения 110 кВ и выше в переходных режимах, сопровождающихся насыщением трансформаторов тока
ГОСТ Р
Скачать ГОСТ в PDF или DOC бесплатно
Основная информация
Обозначение:
ГОСТ Р 70358-2022
Статус:
Действует
Тип:
ГОСТ Р
Название русское:
Единая энергетическая система и изолированно работающие энергосистемы. Релейная защита и автоматика. Требования к работе устройств релейной защиты линий электропередачи классом напряжения 110 кВ и выше в переходных режимах, сопровождающихся насыщением трансформаторов тока
Название английское:
United power system and isolated power systems. Relay protection and automation. Requirements for the operation of relay protection devices for power transmission lines at voltage level 110 kV and higher in transient modes that come amid saturation of current transformers
Даты и сроки
Дата издания:
01-27-23
Дата введения в действие:
02-01-23
Дата завершения срока действия:
-
Применение и описание
Область и условия применения:
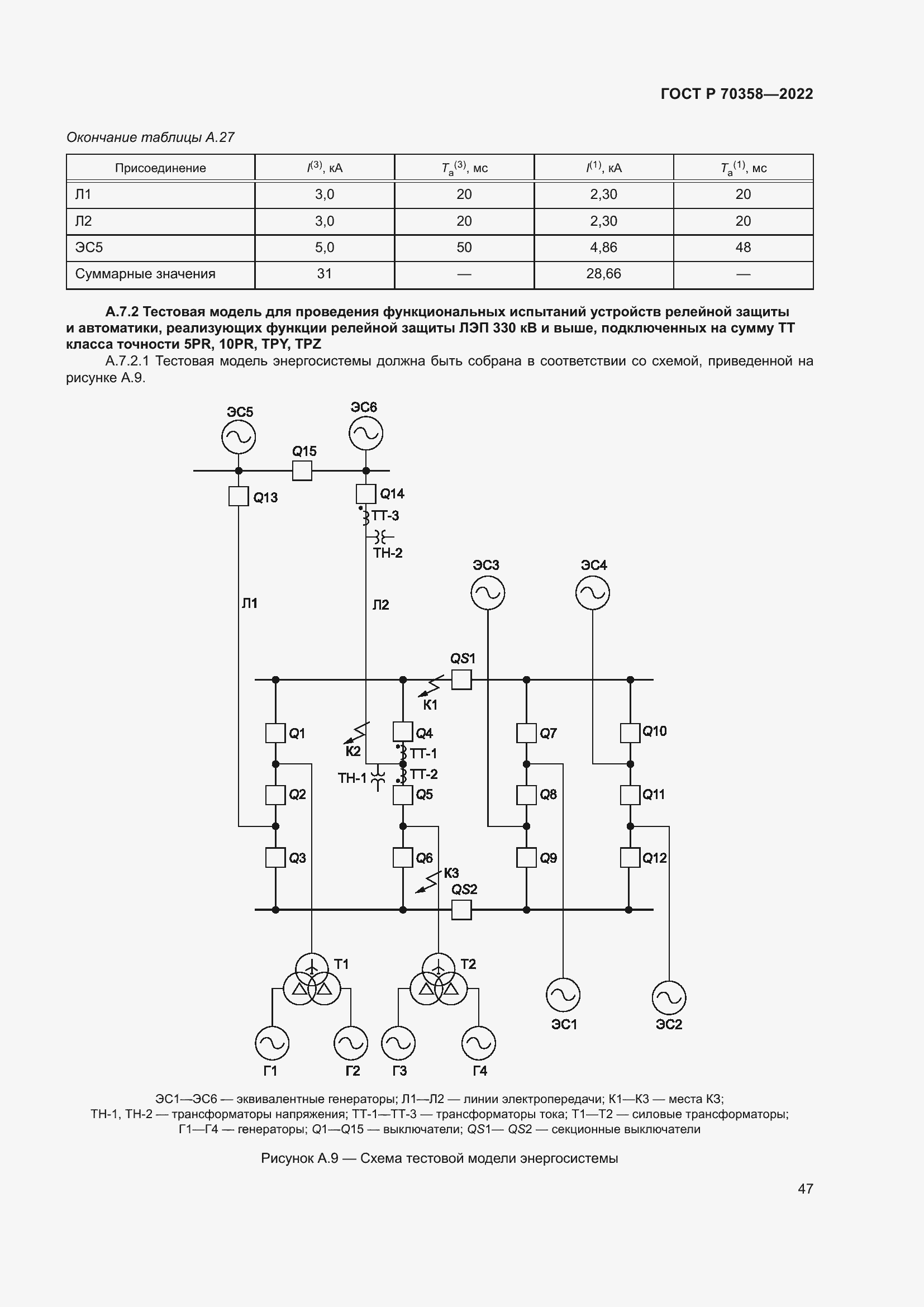
Настоящий стандарт устанавливает: - основные требования к работе микропроцессорных устройств релейной защиты и автоматики (РЗА), содержащих функции дифференциально-фазной защиты, дифференциальной защиты, направленной высокочастотной защиты, телеускоряемых и первых ступеней дистанционной защиты, токовой направленной защиты нулевой последовательности линий электропередачи классом напряжения 110 кВ и выше (далее – быстродействующие защиты ЛЭП 110 кВ и выше), в переходных режимах, сопровождающихся насыщением трансформаторов тока; - требования к составу информации, определяющей работу быстродействующих защит ЛЭП 110 кВ и выше в переходных режимах, сопровождающихся насыщением трансформаторов тока, которая должна содержаться в технической документации на быстродействующие защиты ЛЭП 110 кВ и выше; - порядок и методику проведения испытаний быстродействующих защит ЛЭП 110 кВ и выше для проверки их соответствия требованиям к работе в переходных режимах, сопровождающихся насыщением трансформаторов тока
Связи и замены
Заменяющий:
-
Описание стандарта
ГОСТ Р 70358-2022 Единая энергетическая система и изолированно работающие энергосистемы. Релейная защита и автоматика. Требования к работе устройств релейной защиты линий электропередачи классом напряжения 110 кВ и выше в переходных режимах, сопровождающихся насыщением трансформаторов тока
Страницы стандарта



























































