ГОСТ Р 70609-2022 Единая энергетическая система и изолированно работающие энергосистемы. Релейная защита и автоматика. Автоматические регуляторы возбуждения сильного действия синхронных генераторов. Испытания и проверка параметров настройки
ГОСТ Р
Скачать ГОСТ в PDF или DOC бесплатно
Основная информация
Обозначение:
ГОСТ Р 70609-2022
Статус:
Действует
Тип:
ГОСТ Р
Название русское:
Единая энергетическая система и изолированно работающие энергосистемы. Релейная защита и автоматика. Автоматические регуляторы возбуждения сильного действия синхронных генераторов. Испытания и проверка параметров настройки
Название английское:
United power system and isolated power systems. Relay protection and automation. Automatic voltage regulators of strong action of synchronous generators. Testing and checking the settings
Даты и сроки
Дата издания:
01-25-23
Дата введения в действие:
02-01-23
Дата завершения срока действия:
-
Применение и описание
Область и условия применения:
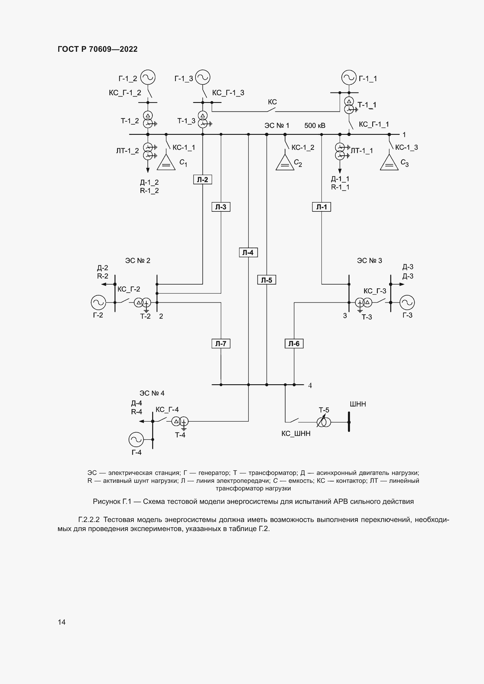
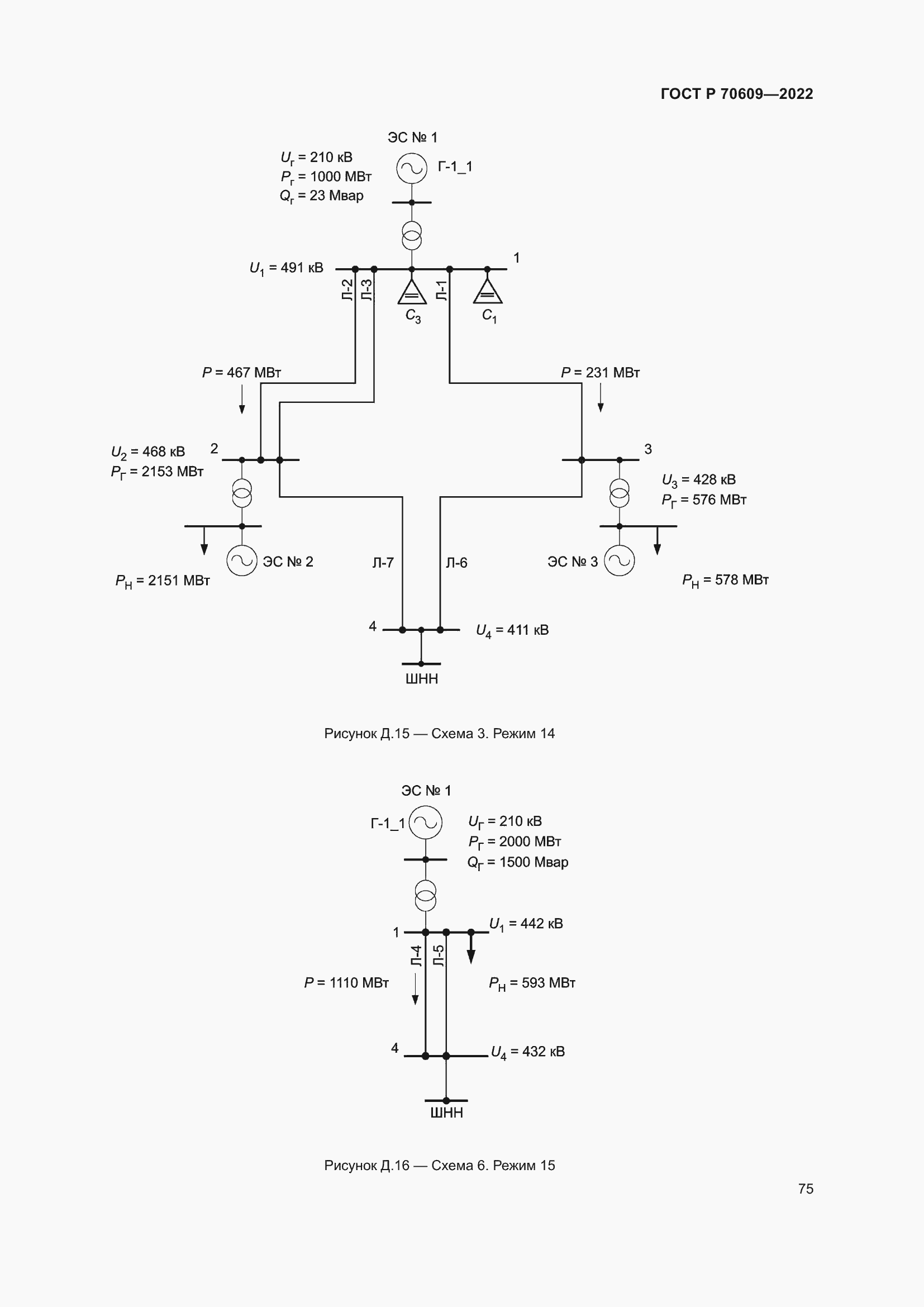
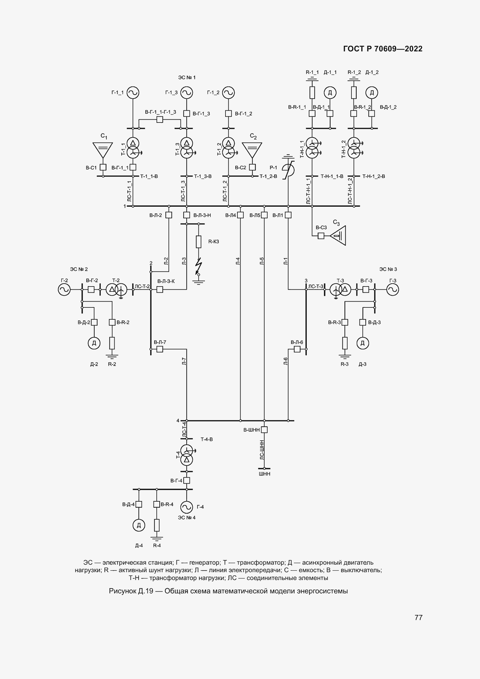
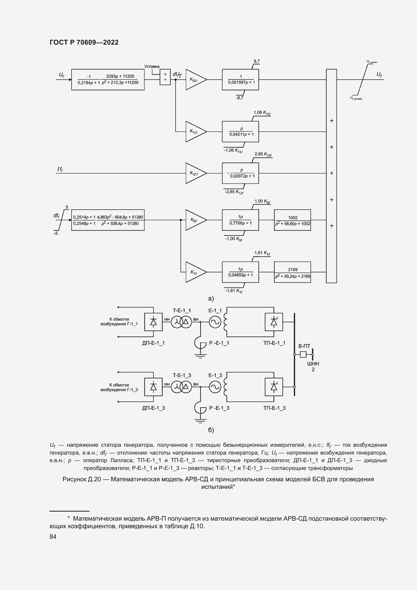
Настоящий стандарт устанавливает: - требования к проведению проверки и корректировки выбранных параметров настройки автоматических регуляторов возбуждения сильного действия синхронных генераторов (далее – АРВ сильного действия) на моделях энергосистемы, включая методики проверки параметров настройки АРВ сильного действия на физической и цифровой моделях энергосистемы, а также на математической модели энергосистемы с использованием цифрового программно-аппаратного комплекса моделирования энергосистем в режиме реального времени (далее – ПАК РВ); - требования к проведению испытаний АРВ сильного действия и их алгоритмов функционирования, реализующих законы управления указанных АРВ (далее – алгоритмы функционирования АРВ сильного действия), включая методику проведения таких испытаний на физической и математической моделях энергосистем с использованием ПАК РВ. Настоящий стандарт распространяется на АРВ сильного действия
Связи и замены
Заменяющий:
-
Описание стандарта
ГОСТ Р 70609-2022 Единая энергетическая система и изолированно работающие энергосистемы. Релейная защита и автоматика. Автоматические регуляторы возбуждения сильного действия синхронных генераторов. Испытания и проверка параметров настройки
Страницы стандарта

















































































































