ГОСТ 26841-86 Режим атомных электростанций с кипящими реакторами большой мощности водно-химический. Нормы качества водного теплоносителя основного контура и контура системы управления и защиты, средства их обеспечения
ГОСТ
Скачать ГОСТ в PDF или DOC бесплатно
Основная информация
Обозначение:
ГОСТ 26841-86
Статус:
Действует
Тип:
ГОСТ
Название русское:
Режим атомных электростанций с кипящими реакторами большой мощности водно-химический. Нормы качества водного теплоносителя основного контура и контура системы управления и защиты, средства их обеспечения
Название английское:
Water chemistry of nuclear power plants with high power boiling water reactors. Quality codes for water coolant of primary and control and safety system circuits and means of their realization
Даты и сроки
Дата издания:
05-12-86
Дата введения в действие:
01-01-87
Дата завершения срока действия:
-
Применение и описание
Область и условия применения:
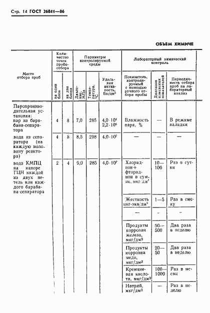
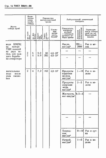
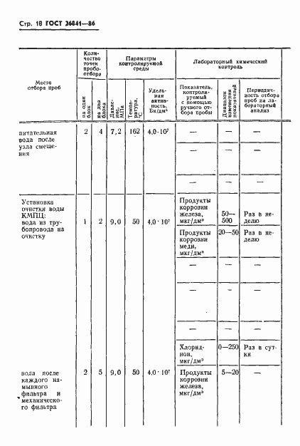
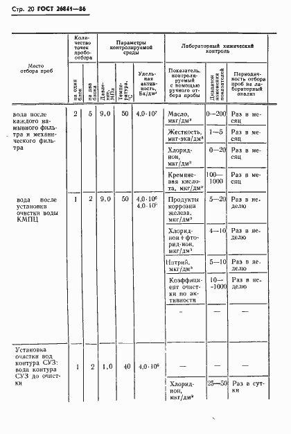
Настоящий стандарт распространяется на водно-химический режим атомных электростанций (АЭС) с кипящими реакторами большой мощности 1000 МВт и устанавливает на стадии проектирования, эксплуатации и на период послемонтажного пуска АЭС нормы качества водного теплоносителя: воды контура многократной принудительной циркуляции, воды охлаждения контура системы управления и защиты реактора, питательной воды, насыщенного пара, конденсата турбин, воды заполнения и подпиточной воды, а также средства их обеспечения
Связи и замены
Заменяющий:
-
Изменения и переиздания
Список изменений:
№1 от (рег. ) «Срок действия продлен» №2 от (рег. ) «Срок действия продлен»
Описание стандарта
ГОСТ 26841-86 Режим атомных электростанций с кипящими реакторами большой мощности водно-химический. Нормы качества водного теплоносителя основного контура и контура системы управления и защиты, средства их обеспечения
Страницы стандарта





































