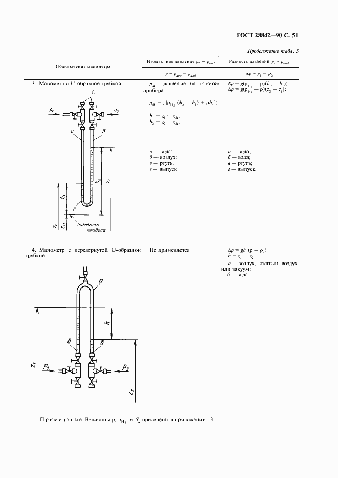
ГОСТ 28842-90 Турбины гидравлические. Методы натурных приемочных испытаний
ГОСТ
Скачать ГОСТ в PDF или DOC бесплатно
Основная информация
Обозначение:
ГОСТ 28842-90
Статус:
Действует
Тип:
ГОСТ
Название русское:
Турбины гидравлические. Методы натурных приемочных испытаний
Название английское:
Hydraulic turbines. Methods of field acceptance tests
Даты и сроки
Дата издания:
03-01-05
Дата введения в действие:
01-01-92
Дата завершения срока действия:
-
Применение и описание
Область и условия применения:
Настоящий стандарт распространяется на энергетические гидравлические турбины, аккумулирующие насосы и насосы-турбины, установленные на ГЭС и ГАЭС
Связи и замены
Заменяющий:
-
Изменения и переиздания
Список изменений:
№0 от (рег. ) «Дата введения перенесена»
Описание стандарта
ГОСТ 28842-90 Турбины гидравлические. Методы натурных приемочных испытаний
Страницы стандарта











































































































Приложение №1: Поправка к ГОСТ 28842-90 Обозначение: Поправка к ГОСТ 28842-90 Дата введения в действие: 01.07.2005
