ГОСТ Р 55002-2012 Машины гидравлические радиальные и осевые. Метод преобразования эксплуатационных характеристик модели в рабочие характеристики опытного образца
ГОСТ Р
Скачать ГОСТ в PDF или DOC бесплатно
Основная информация
Обозначение:
ГОСТ Р 55002-2012
Статус:
Заменен
Тип:
ГОСТ Р
Название русское:
Машины гидравлические радиальные и осевые. Метод преобразования эксплуатационных характеристик модели в рабочие характеристики опытного образца
Название английское:
Hydraulic machines, radial and axial. Performance conversion method from model to prototype
Даты и сроки
Дата издания:
12-15-15
Дата введения в действие:
01-01-14
Дата завершения срока действия:
01-01-22
Применение и описание
Область и условия применения:
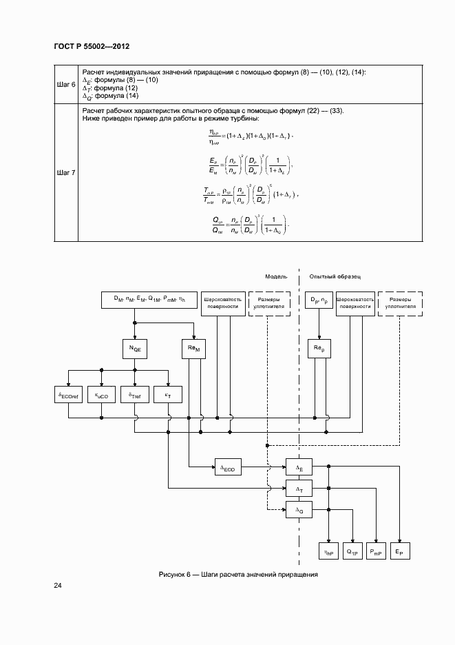
Настоящий стандарт применяется для определения эффективности и рабочих характеристик гидравлической машины на основе результатов испытаний моделей с учетом масштабного эффекта, включая влияние шероховатостей поверхности. Настоящий стандарт рекомендуется использовать для оценки результатов испытаний моделей гидравлических машин согласно договору испытаний гидравлических машин
Связи и замены
Заменяющий:
ГОСТ Р МЭК 62097-2021
Описание стандарта
ГОСТ Р 55002-2012 Машины гидравлические радиальные и осевые. Метод преобразования эксплуатационных характеристик модели в рабочие характеристики опытного образца
Страницы стандарта






































































