ГОСТ Р МЭК 62097-2021 Машины гидравлические радиальные и осевые. Метод преобразования рабочих характеристик модельной гидромашины в эксплуатационные характеристики натурной гидромашины
ГОСТ Р МЭК
Скачать ГОСТ в PDF или DOC бесплатно
Основная информация
Обозначение:
ГОСТ Р МЭК 62097-2021
Статус:
Действует
Тип:
ГОСТ Р МЭК
Название русское:
Машины гидравлические радиальные и осевые. Метод преобразования рабочих характеристик модельной гидромашины в эксплуатационные характеристики натурной гидромашины
Название английское:
Hydraulic machines, radial and axial. Performance conversion method from model to prototype
Даты и сроки
Дата издания:
01-11-22
Дата введения в действие:
01-01-22
Дата завершения срока действия:
-
Применение и описание
Область и условия применения:
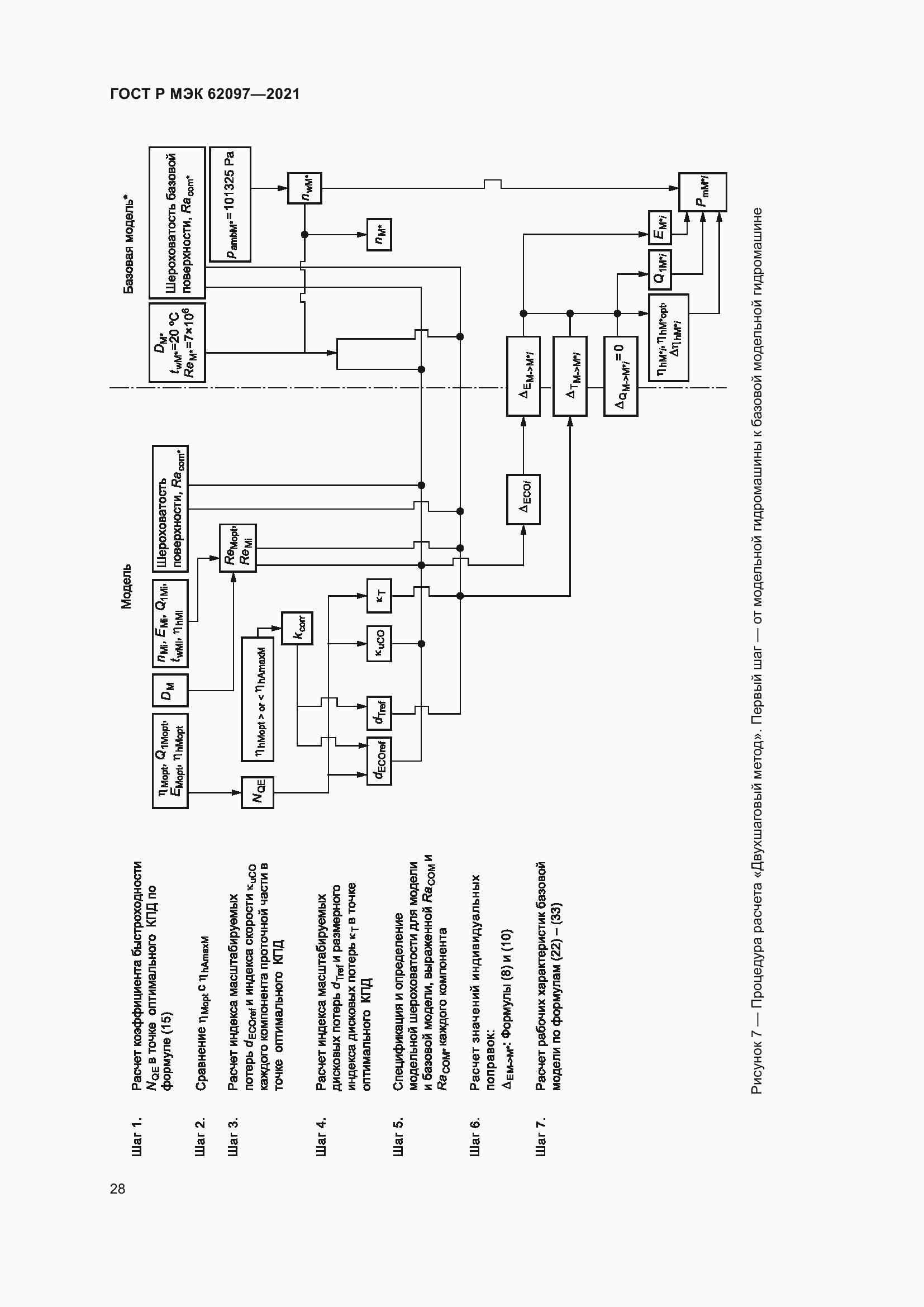
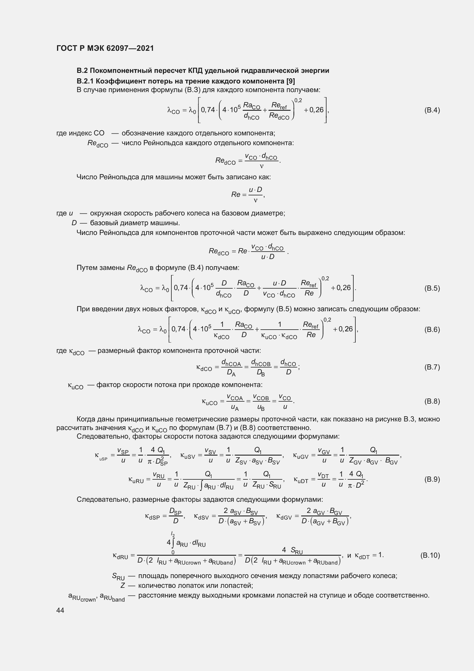
Настоящий стандарт применяется для определения КПД и рабочих характеристик натурной гидравлической машины на основе результатов испытаний модельной гидромашины с учетом масштабного эффекта, включая влияние шероховатостей поверхности. Настоящий стандарт рекомендуется использовать для оценки результатов контрактных модельных испытаний гидравлических машин. Данные модельных испытаний и полученные по этим данным характеристики не могут отменять или подменять проведение натурных испытаний гидромашины с целью получения эксплуатационных характеристик, подтверждающих результаты, полученные для модельной гидромашины
Связи и замены
Заменяющий:
-
Взамен:
ГОСТ Р 55002-2012
Описание стандарта
ГОСТ Р МЭК 62097-2021 Машины гидравлические радиальные и осевые. Метод преобразования рабочих характеристик модельной гидромашины в эксплуатационные характеристики натурной гидромашины
Страницы стандарта





































































































