ГОСТ Р 56124.7.1-2014 Возобновляемая энергетика. Гибридные электростанции на основе возобновляемых источников энергии, предназначенные для сельской электрификации. Рекомендации. Часть 7-1. Генераторы. Фотоэлектрические батареи
ГОСТ Р
Скачать ГОСТ в PDF или DOC бесплатно
Основная информация
Обозначение:
ГОСТ Р 56124.7.1-2014
Статус:
Действует
Тип:
ГОСТ Р
Название русское:
Возобновляемая энергетика. Гибридные электростанции на основе возобновляемых источников энергии, предназначенные для сельской электрификации. Рекомендации. Часть 7-1. Генераторы. Фотоэлектрические батареи
Название английское:
Renewable power engineering. Recommendations for small renewable energy and hybrid systems for rural electrification. Part 7-1. Generators. Photovoltaic generators
Даты и сроки
Дата издания:
03-24-15
Дата введения в действие:
07-01-16
Дата завершения срока действия:
-
Применение и описание
Область и условия применения:
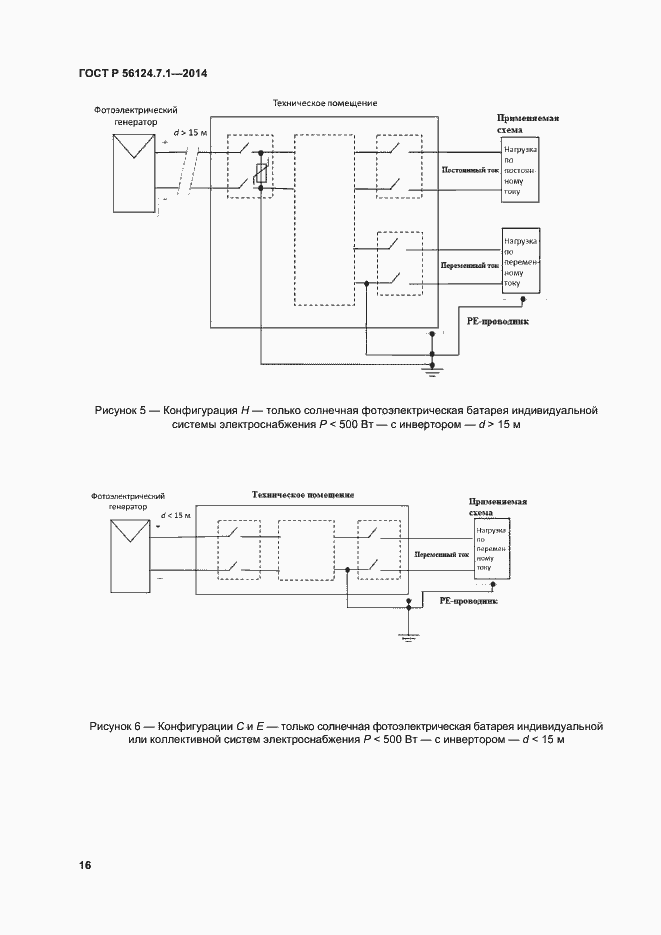
Настоящий стандарт устанавливает общие требования к конструкции и безопасности генераторов, используемых в децентрализованных системах электроснабжения сельских объектов (децентрализованных потребителей)
Связи и замены
Заменяющий:
-
Описание стандарта
ГОСТ Р 56124.7.1-2014 Возобновляемая энергетика. Гибридные электростанции на основе возобновляемых источников энергии, предназначенные для сельской электрификации. Рекомендации. Часть 7-1. Генераторы. Фотоэлектрические батареи
Страницы стандарта







































































