ГОСТ 1908-88 Бумага конденсаторная. Общие технические условия
ГОСТ
Скачать ГОСТ в PDF или DOC бесплатно
Основная информация
Обозначение:
ГОСТ 1908-88
Статус:
Действует
Тип:
ГОСТ
Название русское:
Бумага конденсаторная. Общие технические условия
Название английское:
Capacitor paper. General specifications
Даты и сроки
Дата издания:
12-01-96
Дата введения в действие:
01-01-90
Дата завершения срока действия:
-
Применение и описание
Область и условия применения:
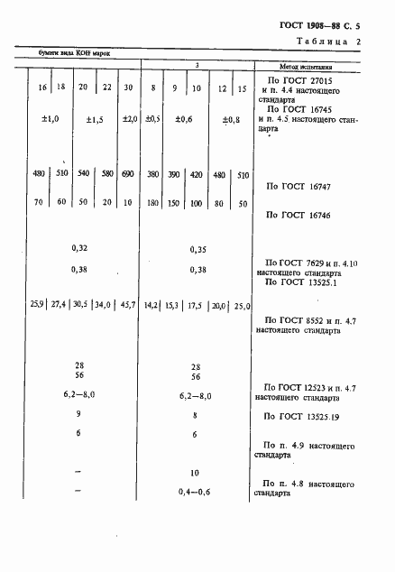
Настоящий стандарт распространяется на конденсаторную бумагу, применяемую в качестве диэлектрика для электрических конденсаторов, и устанавливает требования к продукции, изготовляемой для нужд народного хозяйства и экспорта
Связи и замены
Заменяющий:
-
Взамен в части:
ГОСТ 1908-82, кроме п. 4.6
Изменения и переиздания
Список изменений:
№1 от (рег. ) «Срок действия продлен» №2 от (рег. ) «Срок действия продлен»
Описание стандарта
ГОСТ 1908-88 Бумага конденсаторная. Общие технические условия
Страницы стандарта


































