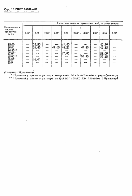
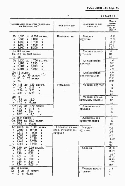
ГОСТ 26606-85 Провода обмоточные с эмалево-волокнистой, волокнистой, пластмассовой и пленочной изоляцией. Общие технические условия
ГОСТ
Скачать ГОСТ в PDF или DOC бесплатно
Основная информация
Обозначение:
ГОСТ 26606-85
Статус:
Действует
Тип:
ГОСТ
Название русское:
Провода обмоточные с эмалево-волокнистой, волокнистой, пластмассовой и пленочной изоляцией. Общие технические условия
Название английское:
Fibre-covered, plastic-covered, film-covered and enamelled fiber covered magned wire. General specifications
Даты и сроки
Дата издания:
01-01-85
Дата введения в действие:
01-01-88
Дата завершения срока действия:
-
Применение и описание
Область и условия применения:
Настоящий стандарт распространяется на обмоточные провода с эмалево-волокнистой, волокнистой, бумажной, стекловолокнистой, стеклополиэфирной, пластмассовой, пленочной, эмалево-бумажной, эмалево-стекловолокнистой, эмалево-стеклополиэфирной, пленочно-волокнистой изоляцией, предназначенные для обмоток электрических машин, аппаратов и приборов
Связи и замены
Заменяющий:
-
Описание стандарта
ГОСТ 26606-85 Провода обмоточные с эмалево-волокнистой, волокнистой, пластмассовой и пленочной изоляцией. Общие технические условия
Страницы стандарта



























