ГОСТ Р МЭК 61914-2015 Клицы кабельные для электроустановок
ГОСТ Р МЭК
Скачать ГОСТ в PDF или DOC бесплатно
Основная информация
Обозначение:
ГОСТ Р МЭК 61914-2015
Статус:
Действует
Тип:
ГОСТ Р МЭК
Название русское:
Клицы кабельные для электроустановок
Название английское:
Cable cleats for electrical installation
Даты и сроки
Дата издания:
02-08-16
Дата введения в действие:
01-01-17
Дата завершения срока действия:
-
Применение и описание
Область и условия применения:
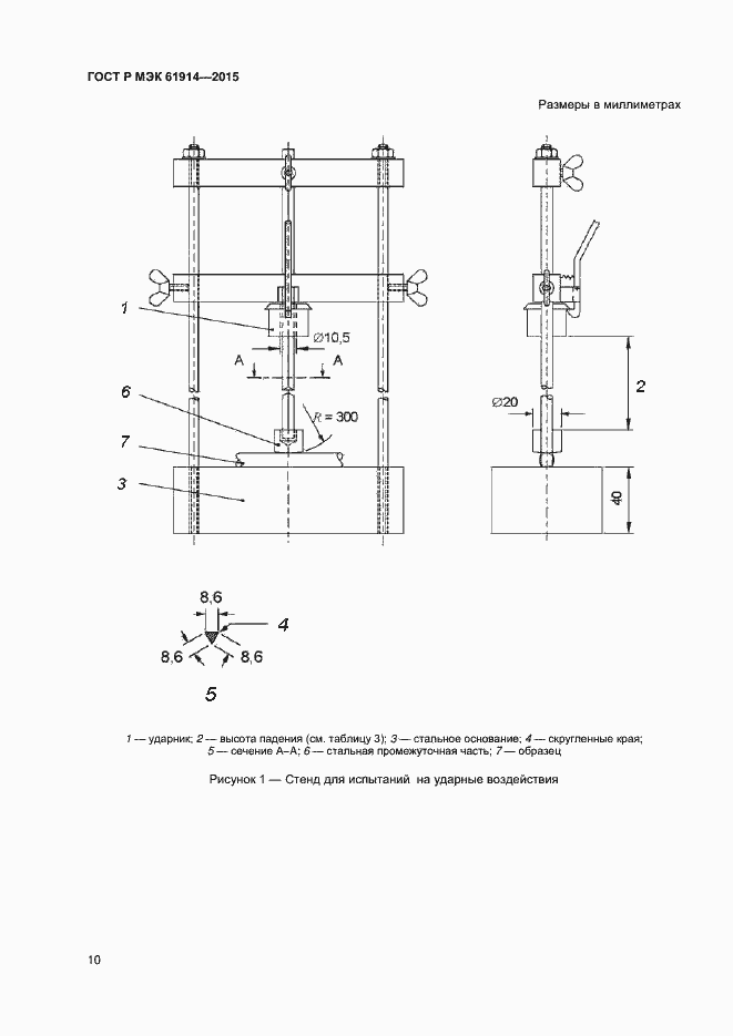
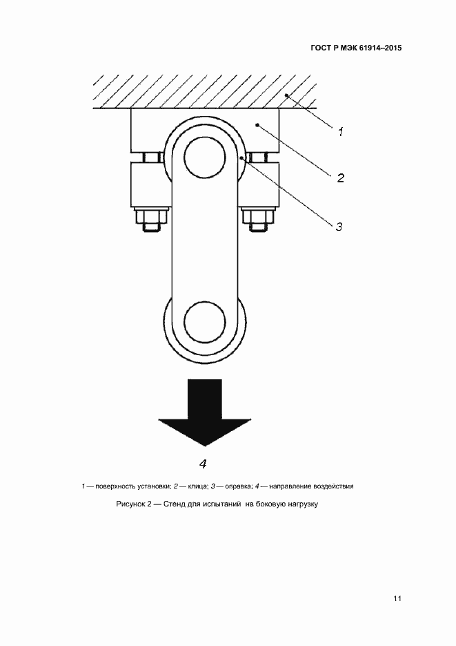
Настоящий стандарт устанавливает общие требования и требования по испытаниям для кабельных клиц и промежуточных устройств для крепления, используемых для прокладки кабелей в электрических установках. Кабельные клицы могут обладать стойкостью к электродинамическим усилиям. Настоящий стандарт распространяется на кабельные клицы, которые крепят к вертикальным поверхностям для осевого и/или бокового крепления кабелей, как определено изготовителем
Связи и замены
Заменяющий:
-
Описание стандарта
ГОСТ Р МЭК 61914-2015 Клицы кабельные для электроустановок
Страницы стандарта






















