ГОСТы >
29.120.50 Плавкие предохранители и другие защитные устройства при перегрузках >
ГОСТ IEC 62606-2016
ГОСТ IEC 62606-2016 Устройства защиты бытового и аналогичного назначения при дуговом пробое. Общие требования
ГОСТ МЭК
Скачать ГОСТ в PDF или DOC бесплатно
Основная информация
Обозначение:
ГОСТ IEC 62606-2016
Статус:
Действует
Тип:
ГОСТ МЭК
Название русское:
Устройства защиты бытового и аналогичного назначения при дуговом пробое. Общие требования
Название английское:
Arc fault detection devices for household and similar use. General requirements
Даты и сроки
Дата регистрации:
10-25-16
Дата издания:
06-16-17
Дата введения в действие:
07-01-18
Дата завершения срока действия:
-
Применение и описание
Область и условия применения:
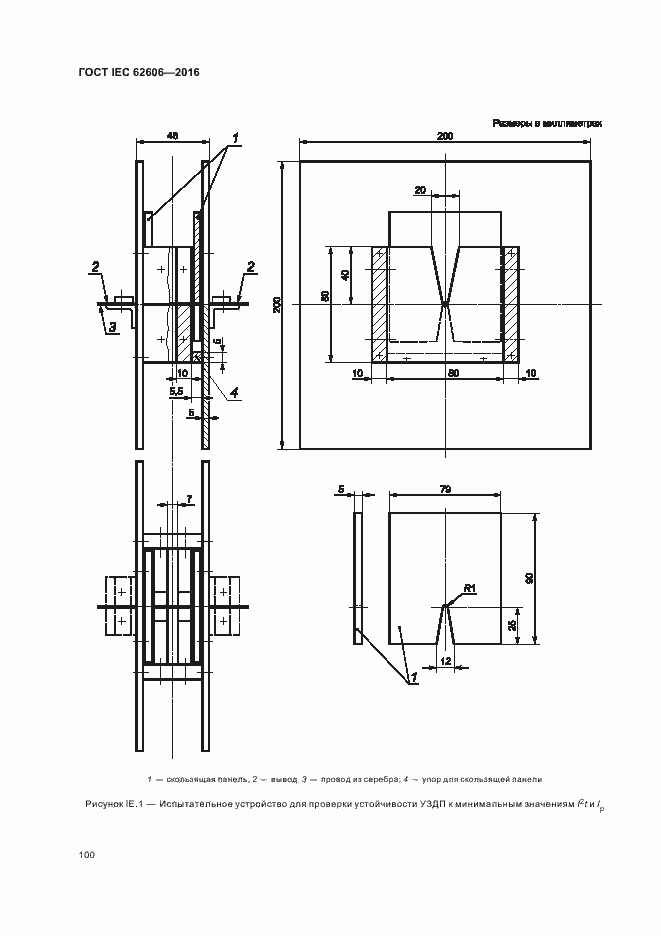
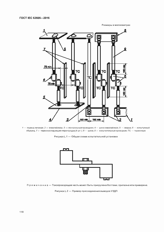
Настоящий стандарт распространяется на защитные устройства обнаружения дугового пробоя (УЗДП) бытового и аналогичного назначения, применяемые в цепях переменного тока. Настоящий стандарт распространяется на устройства, которые одновременно выполняют обнаружение и ограничение тока дуги для предупреждения опасности пожара, и определяет рабочие критерии размыкания цепи в заданных условиях, если ток дуги превышает предельные значения, указанные в настоящем стандарте
Связи и замены
Заменяющий:
-
Описание стандарта
ГОСТ IEC 62606-2016 Устройства защиты бытового и аналогичного назначения при дуговом пробое. Общие требования
Страницы стандарта






































































































































Приложение №1: Поправка к ГОСТ IEC 62606-2016 Обозначение: Поправка к ГОСТ IEC 62606-2016 Дата введения в действие: 17.04.2020
