ГОСТ Р 51323.2-99 Вилки, штепсельные розетки и соединительные устройства промышленного назначения. Часть 2. Требования к взаимозаменяемости размеров штырей и контактных гнезд соединителей
ГОСТ Р
Скачать ГОСТ в PDF или DOC бесплатно
Основная информация
Обозначение:
ГОСТ Р 51323.2-99
Статус:
Отменен
Тип:
ГОСТ Р
Название русское:
Вилки, штепсельные розетки и соединительные устройства промышленного назначения. Часть 2. Требования к взаимозаменяемости размеров штырей и контактных гнезд соединителей
Название английское:
Plugs, socket-outlets and couplers for industrial purposes. Part 2. Dimensional interchangeability requirements for pin and contact-tube accessories
Даты и сроки
Дата издания:
05-25-00
Дата введения в действие:
01-01-01
Дата завершения срока действия:
01-01-14
Применение и описание
Область и условия применения:
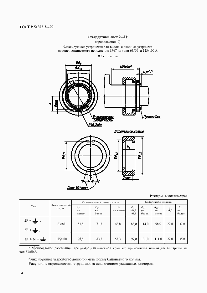
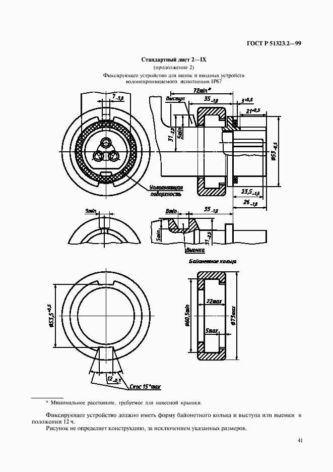
Настоящий стандарт распространяется на штепсельные соединители, кабельные соединители и вводные соединители промышленного назначения (далее - соединители) на номинальное рабочее напряжение не более 690 В постоянного и переменного тока частотой до 500 Гц и номинальный ток не более 125 А, применяемые для установки внутри и снаружи помещений
Связи и замены
Заменяющий:
-
Изменения и переиздания
Список изменений:
№0 от (рег. ) «Текстовое изменение; Изменено заглавие»
Описание стандарта
ГОСТ Р 51323.2-99 Вилки, штепсельные розетки и соединительные устройства промышленного назначения. Часть 2. Требования к взаимозаменяемости размеров штырей и контактных гнезд соединителей
Страницы стандарта

























































