ГОСТ IEC 62196-2-2018 Вилки, штепсельные розетки, переносные розетки и вводы транспортных средств. Проводная зарядка электрических транспортных средств. Часть 2. Требования к совместимости и взаимозаменяемости размеров вспомогательного оборудования переменного тока со штырями и контактными гнездами
ГОСТ МЭК
Скачать ГОСТ в PDF или DOC бесплатно
Основная информация
Обозначение:
ГОСТ IEC 62196-2-2018
Статус:
Действует
Тип:
ГОСТ МЭК
Название русское:
Вилки, штепсельные розетки, переносные розетки и вводы транспортных средств. Проводная зарядка электрических транспортных средств. Часть 2. Требования к совместимости и взаимозаменяемости размеров вспомогательного оборудования переменного тока со штырями и контактными гнездами
Название английское:
Plugs, socket-outlets, vehicle connectors and vehicle inlets. Conductive charging of electric vehicles. Part 2. Dimensional compatibility and interchangeability requirements for a.c. pin and contact-tube accessories
Даты и сроки
Дата регистрации:
08-30-22
Дата издания:
08-09-22
Дата введения в действие:
01-01-23
Дата завершения срока действия:
04-01-26
Применение и описание
Область и условия применения:
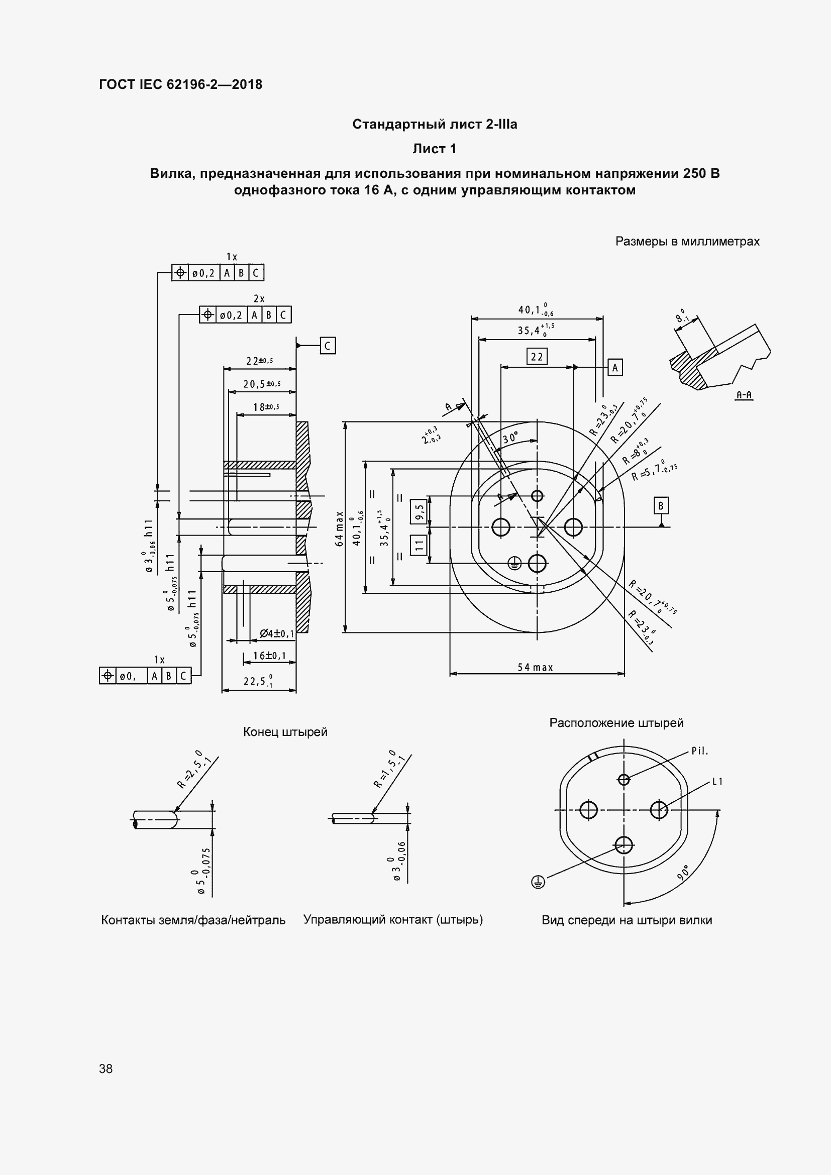
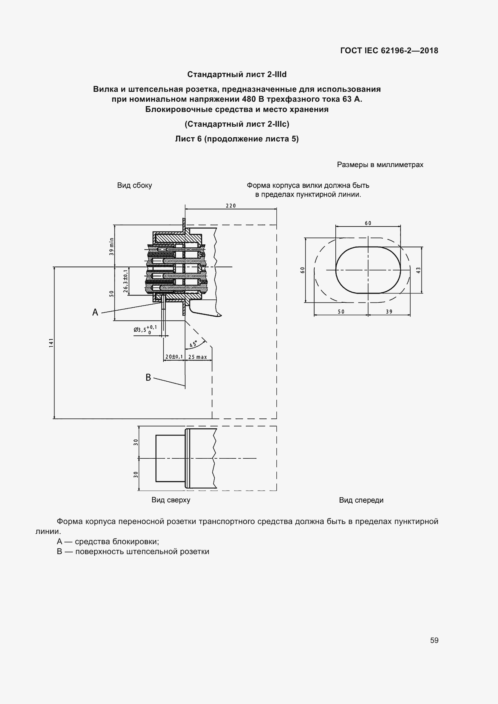
Настоящий стандарт распространяется на вилки, штепсельные розетки, переносные розетки и вводы транспортных средств со штырями и контактными гнездами стандартизованных конфигураций (далее — принадлежности), рассчитанные на номинальное рабочее напряжение не более 480 В переменного тока частотой 50–60 Гц и номинальный ток не более 63 А для трехфазной сети или 70 А для однофазной сети, применяемые в проводной (кондуктивной) зарядке электромобилей
Связи и замены
Заменяющий:
ГОСТ IEC 62196-2-2024
Описание стандарта
ГОСТ IEC 62196-2-2018 Вилки, штепсельные розетки, переносные розетки и вводы транспортных средств. Проводная зарядка электрических транспортных средств. Часть 2. Требования к совместимости и взаимозаменяемости размеров вспомогательного оборудования переменного тока со штырями и контактными гнездами
Страницы стандарта

































































