ГОСТы >
29.120.50 Плавкие предохранители и другие защитные устройства при перегрузках >
ГОСТ IEC 62640-2021
ГОСТ IEC 62640-2021 Устройства защитного отключения с защитой от сверхтоков или без нее для штепсельных розеток бытового и аналогичного применения
ГОСТ МЭК
Скачать ГОСТ в PDF или DOC бесплатно
Основная информация
Обозначение:
ГОСТ IEC 62640-2021
Статус:
Действует
Тип:
ГОСТ МЭК
Название русское:
Устройства защитного отключения с защитой от сверхтоков или без нее для штепсельных розеток бытового и аналогичного применения
Название английское:
Residual current devices with or without overcurrent protection for socket-outlets for household and similar uses
Даты и сроки
Дата регистрации:
08-26-21
Дата издания:
08-30-22
Дата введения в действие:
01-01-23
Дата завершения срока действия:
-
Применение и описание
Область и условия применения:
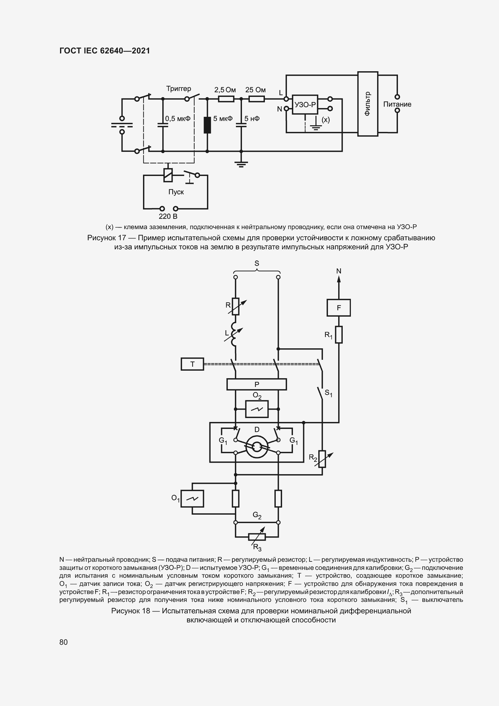
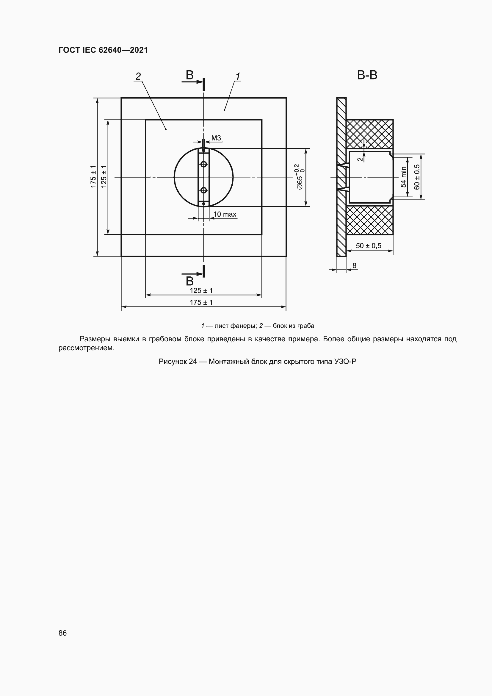
Настоящий стандарт распространяется на устройства защитного отключения (УЗО), встроенные или специально предназначенные для использования со штепсельными розетками, с заземляющим контактом или без него для бытового и аналогичного применения (УЗО-Р — устройства защитного отключения штепсельных розеток). УЗО-Р в соответствии с настоящим стандартом предназначены для использования в однофазных системах, таких как фаза-нейтраль, или фаза-фаза, или фаза-заземленный средний проводник
Связи и замены
Заменяющий:
-
Описание стандарта
ГОСТ IEC 62640-2021 Устройства защитного отключения с защитой от сверхтоков или без нее для штепсельных розеток бытового и аналогичного применения
Страницы стандарта















































































































Приложение №1: Поправка к ГОСТ IEC 62640-2021 Обозначение: Поправка к ГОСТ IEC 62640-2021 Дата введения в действие: 14.06.2023
