ГОСТы >
29.130.20 Низковольтная коммутационная аппаратура и аппаратура управления >
ГОСТ IEC 60947-1-2014
ГОСТ IEC 60947-1-2014 Аппаратура распределения и управления низковольтная. Часть 1. Общие правила
ГОСТ МЭК
Скачать ГОСТ в PDF или DOC бесплатно
Основная информация
Обозначение:
ГОСТ IEC 60947-1-2014
Статус:
Заменен
Тип:
ГОСТ МЭК
Название русское:
Аппаратура распределения и управления низковольтная. Часть 1. Общие правила
Название английское:
Low-voltage switchgear and controlgear. Part 1. General rules
Даты и сроки
Дата регистрации:
06-25-14
Дата издания:
10-08-15
Дата введения в действие:
01-01-16
Дата завершения срока действия:
06-01-19
Применение и описание
Область и условия применения:
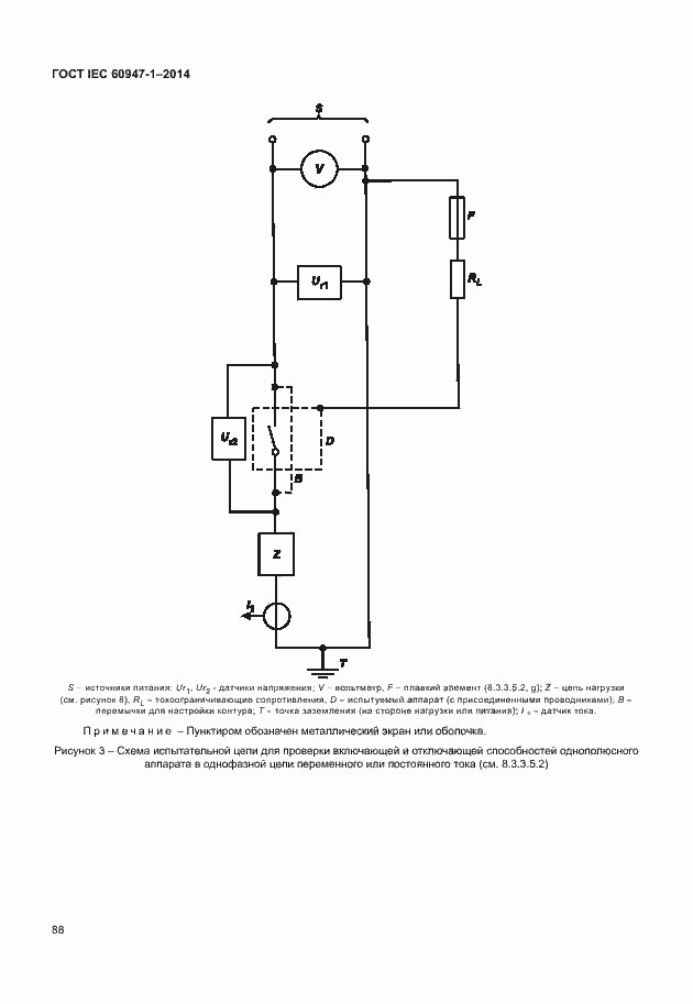
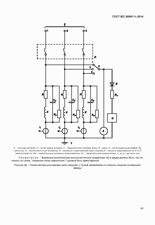
Настоящий стандарт распространяется на низковольтные аппараты распределения и управления, предназначенные для эксплуатации в электрических цепях номинальным напряжением до 1000 В переменного тока или до 1500 В постоянного тока. Требования настоящего стандарта распространяются на аппараты конкретного вида (типа) при наличии в стандартах на эти аппараты соответствующих ссылок. Настоящий стандарт не распространяется на низковольтные комплектные устройства распределения и управления, охватываемые стандартами серии IEC 60439
Связи и замены
Заменяющий:
ГОСТ IEC 60947-1-2017
Взамен:
ГОСТ 30011.1-2012
Описание стандарта
ГОСТ IEC 60947-1-2014 Аппаратура распределения и управления низковольтная. Часть 1. Общие правила
Страницы стандарта




























































































































































































