ГОСТы >
29.130.20 Низковольтная коммутационная аппаратура и аппаратура управления >
ГОСТ Р МЭК 61643-12-2011
ГОСТ Р МЭК 61643-12-2011 Устройства защиты от импульсных перенапряжений низковольтные. Часть 12. Устройства защиты от импульсных перенапряжений в низковольтных силовых распределительных системах. Принципы выбора и применения
ГОСТ Р МЭК
Скачать ГОСТ в PDF или DOC бесплатно
Основная информация
Обозначение:
ГОСТ Р МЭК 61643-12-2011
Статус:
Отменен
Тип:
ГОСТ Р МЭК
Название русское:
Устройства защиты от импульсных перенапряжений низковольтные. Часть 12. Устройства защиты от импульсных перенапряжений в низковольтных силовых распределительных системах. Принципы выбора и применения
Название английское:
Low-voltage surge protective devices. Part 12. Surge protective devices connected to low-voltage power distribution systems. Selection and application principles
Даты и сроки
Дата издания:
01-17-13
Дата введения в действие:
01-01-13
Дата завершения срока действия:
03-01-23
Применение и описание
Область и условия применения:
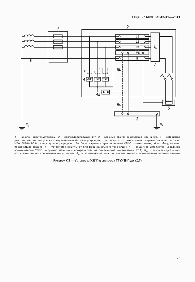
Настоящий стандарт описывает принципы выбора, размещения и координации устройств защиты от импульсных перенапряжений, предназначенных для подсоединения к силовым цепям переменного тока частотой 50-60 Гц или постоянного тока и к оборудованию на номинальное напряжение до 1000 В (действующее значение) переменного тока или 1500 В постоянного тока
Связи и замены
Заменяющий:
-
Описание стандарта
ГОСТ Р МЭК 61643-12-2011 Устройства защиты от импульсных перенапряжений низковольтные. Часть 12. Устройства защиты от импульсных перенапряжений в низковольтных силовых распределительных системах. Принципы выбора и применения
Страницы стандарта


























































































