ГОСТы >
29.130.20 Низковольтная коммутационная аппаратура и аппаратура управления >
ГОСТ IEC 62955-2021
ГОСТ IEC 62955-2021 Устройство обнаружения постоянного дифференциального тока (RDC-DD), используемое для зарядки электромобилей в режиме 3
ГОСТ МЭК
Скачать ГОСТ в PDF или DOC бесплатно
Основная информация
Обозначение:
ГОСТ IEC 62955-2021
Статус:
Действует
Тип:
ГОСТ МЭК
Название русское:
Устройство обнаружения постоянного дифференциального тока (RDC-DD), используемое для зарядки электромобилей в режиме 3
Название английское:
Residual direct current detecting device (RDC-DD) to be used for mode 3 charging of electric vehicles
Даты и сроки
Дата регистрации:
08-26-21
Дата издания:
10-19-21
Дата введения в действие:
03-01-22
Дата завершения срока действия:
-
Применение и описание
Область и условия применения:
Настоящий стандарт применяется к устройствам обнаружения постоянного дифференциального тока Здесь и дале по тексту под постоянным током имеется ввиду пульсирующая составляющая постоянного тока протекающая в цепи переменного тока. (RDC-DD) для постоянно подключенных станций переменного тока для зарядки электромобилей (зарядка электромобилей в режиме 3 в соответствии с IEC 61851-1 и IEC 60364-7-722), далее именуемым RDC-MD (устройство контроля постоянного дифференциального тока) или RDC-PD (устройство защиты от постоянного дифференциального тока) для номинальных напряжений, не превышающих 440 В переменного тока, с номинальными частотами 50 Гц, 60 Гц или 50/60 Гц и номинальными токами, не превышающими 125 A
Связи и замены
Заменяющий:
-
Описание стандарта
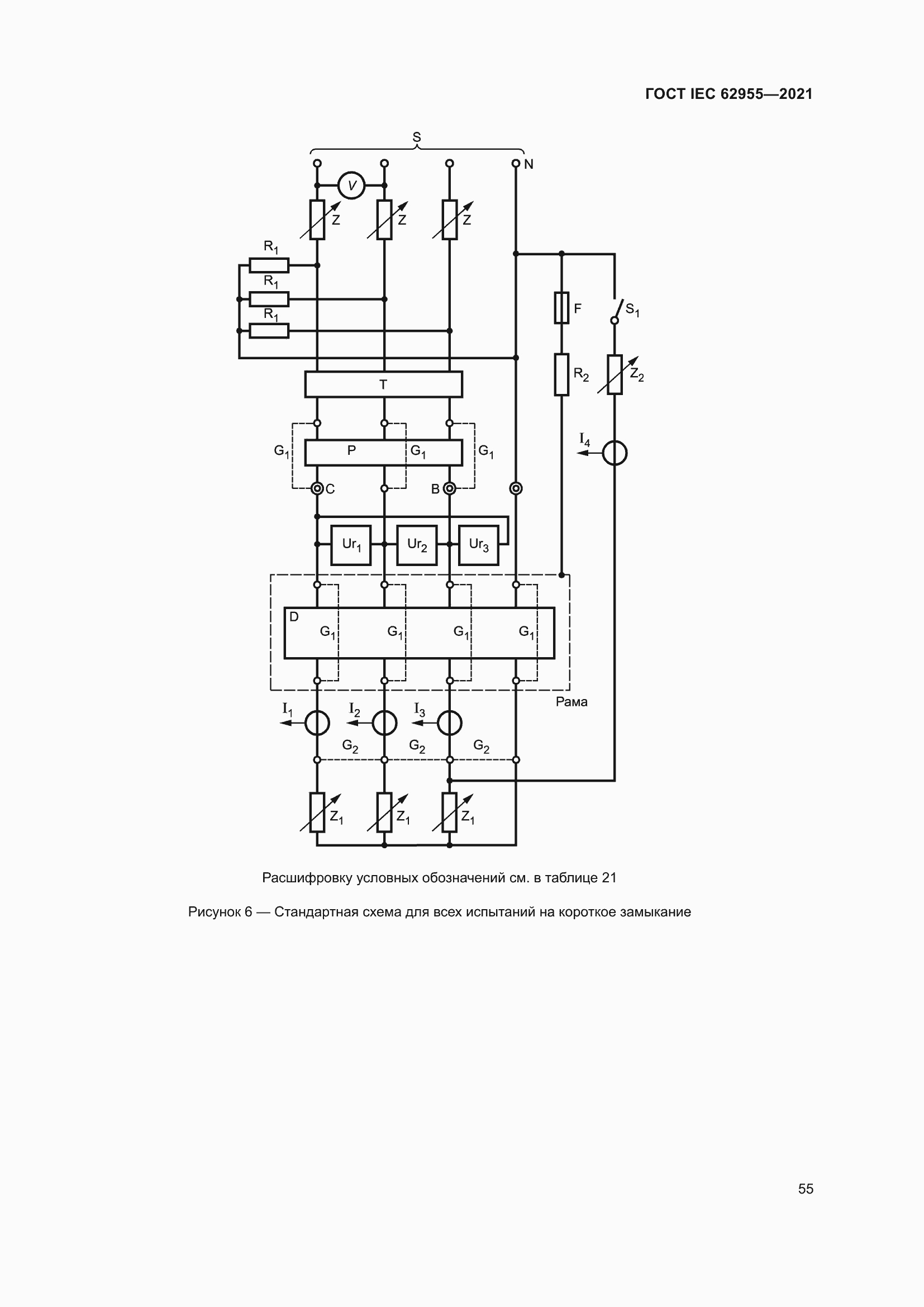
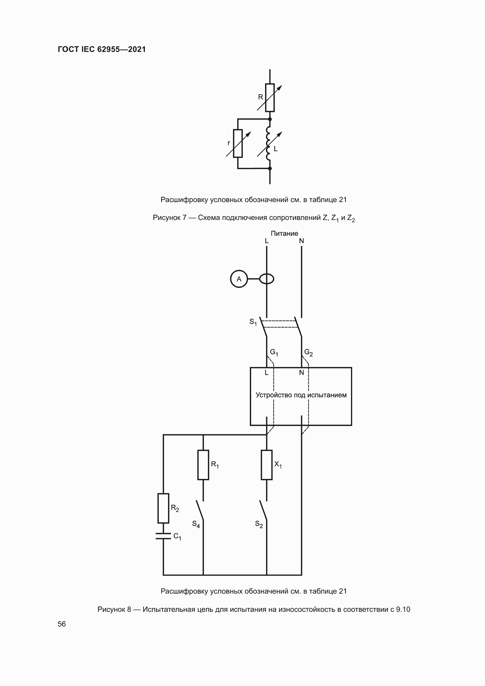
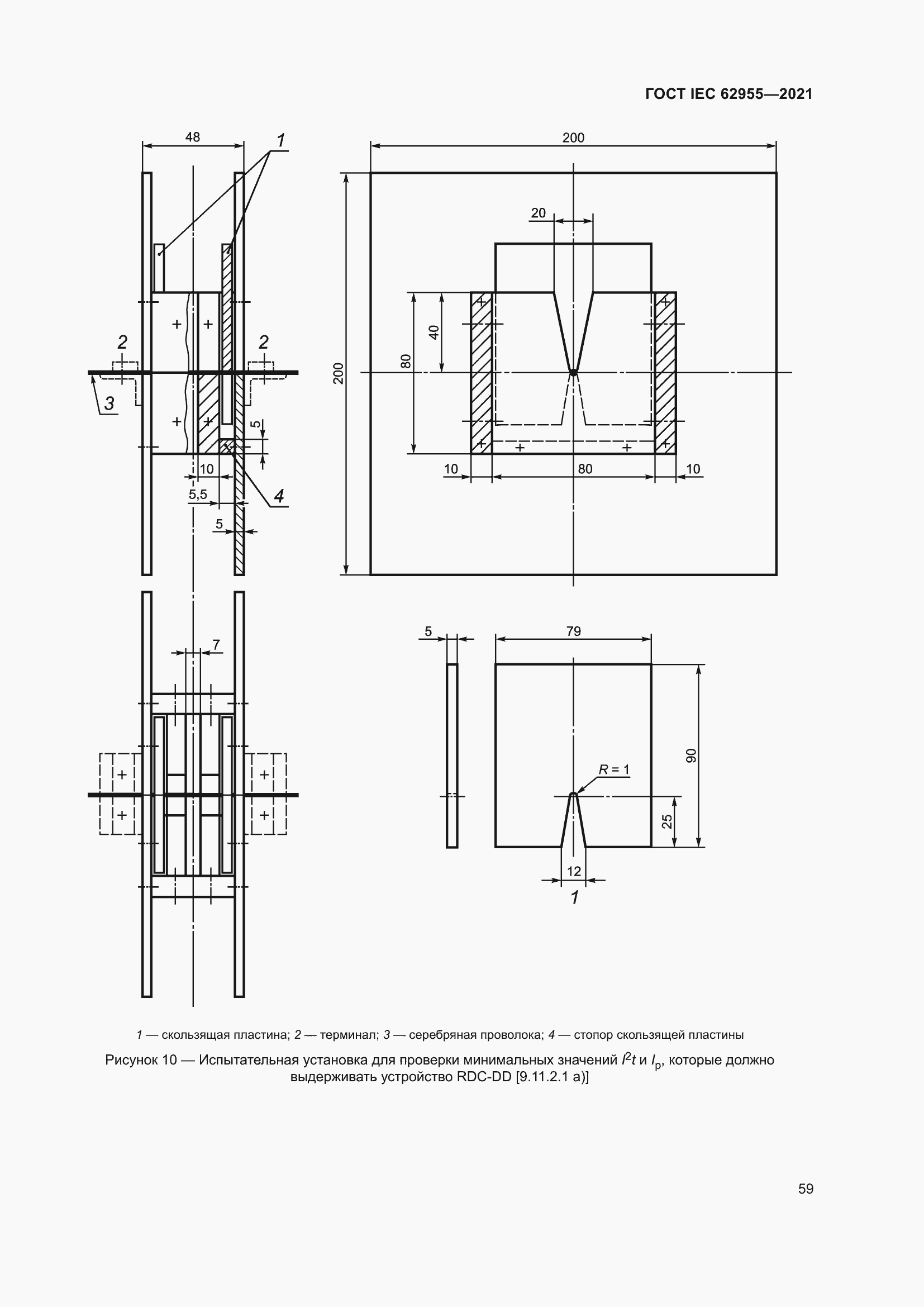
ГОСТ IEC 62955-2021 Устройство обнаружения постоянного дифференциального тока (RDC-DD), используемое для зарядки электромобилей в режиме 3
Страницы стандарта



































































































































Приложение №1: Поправка к ГОСТ IEC 62955-2021 Обозначение: Поправка к ГОСТ IEC 62955-2021 Дата введения в действие: 09.02.2022
