ГОСТы >
29.130.20 Низковольтная коммутационная аппаратура и аппаратура управления >
ГОСТ IEC 62752-2021
ГОСТ IEC 62752-2021 Кабельный блок управления и защиты для зарядки электромобилей в режиме 2 (IC-CPD)
ГОСТ МЭК
Скачать ГОСТ в PDF или DOC бесплатно
Основная информация
Обозначение:
ГОСТ IEC 62752-2021
Статус:
Действует
Тип:
ГОСТ МЭК
Название русское:
Кабельный блок управления и защиты для зарядки электромобилей в режиме 2 (IC-CPD)
Название английское:
In-cable control and protection device for mode 2 charging of electric road vehicles (IC-CPD)
Даты и сроки
Дата регистрации:
10-22-21
Дата издания:
11-22-21
Дата введения в действие:
03-01-22
Дата завершения срока действия:
-
Применение и описание
Область и условия применения:
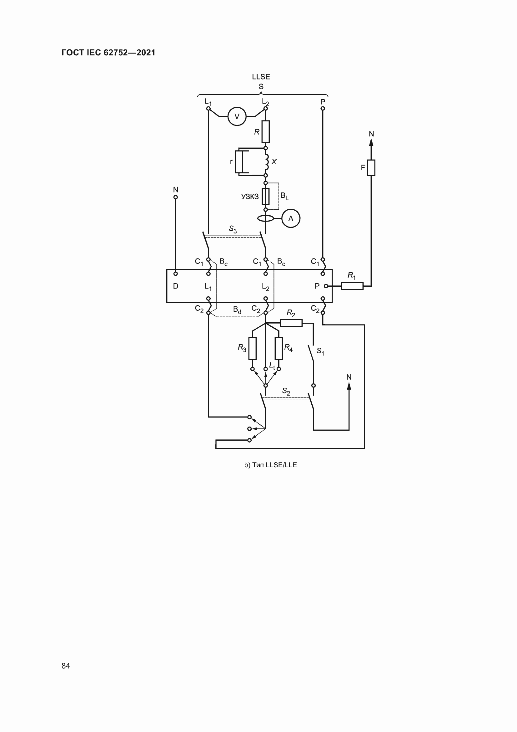
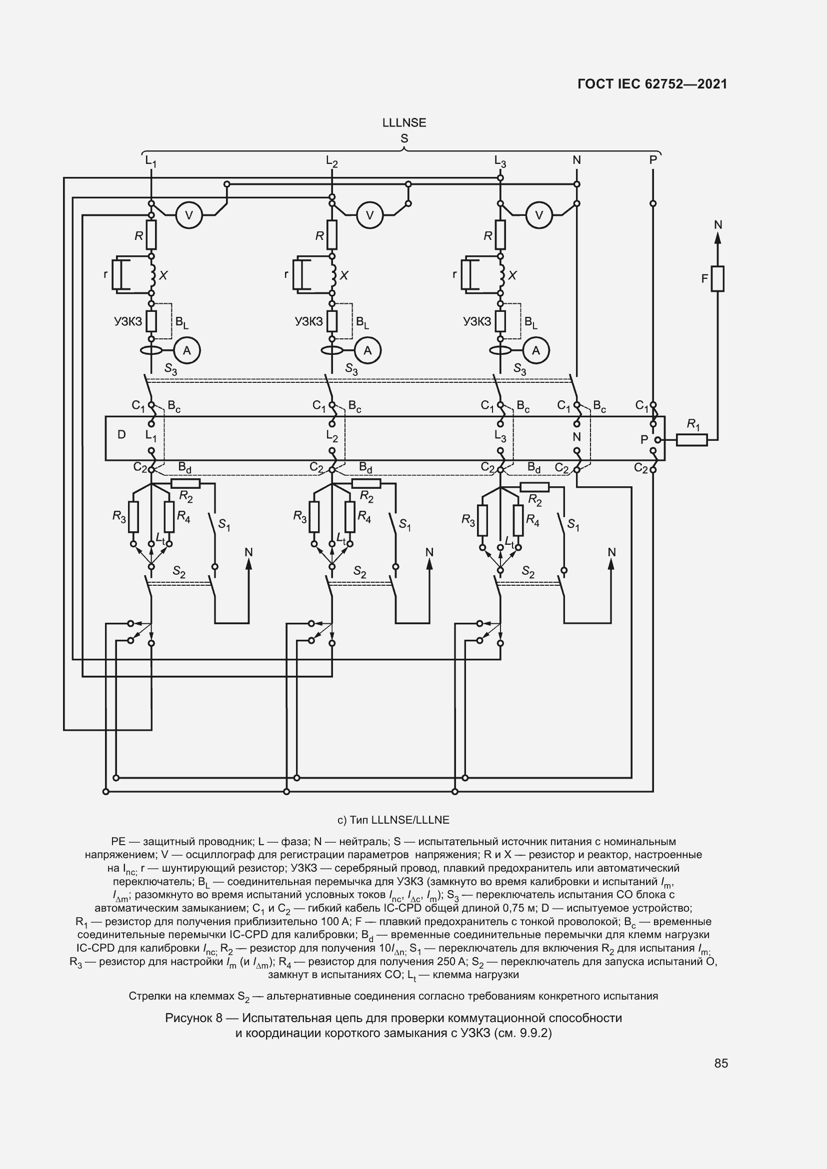
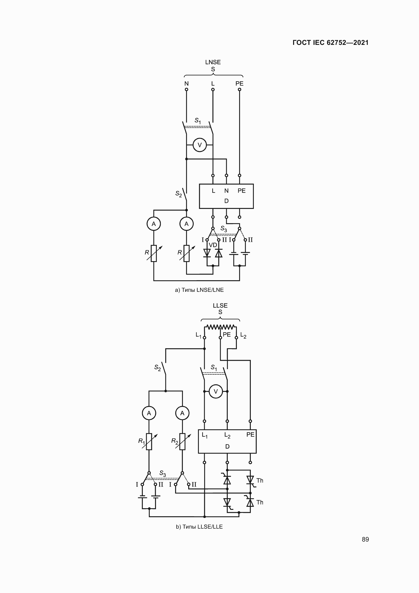
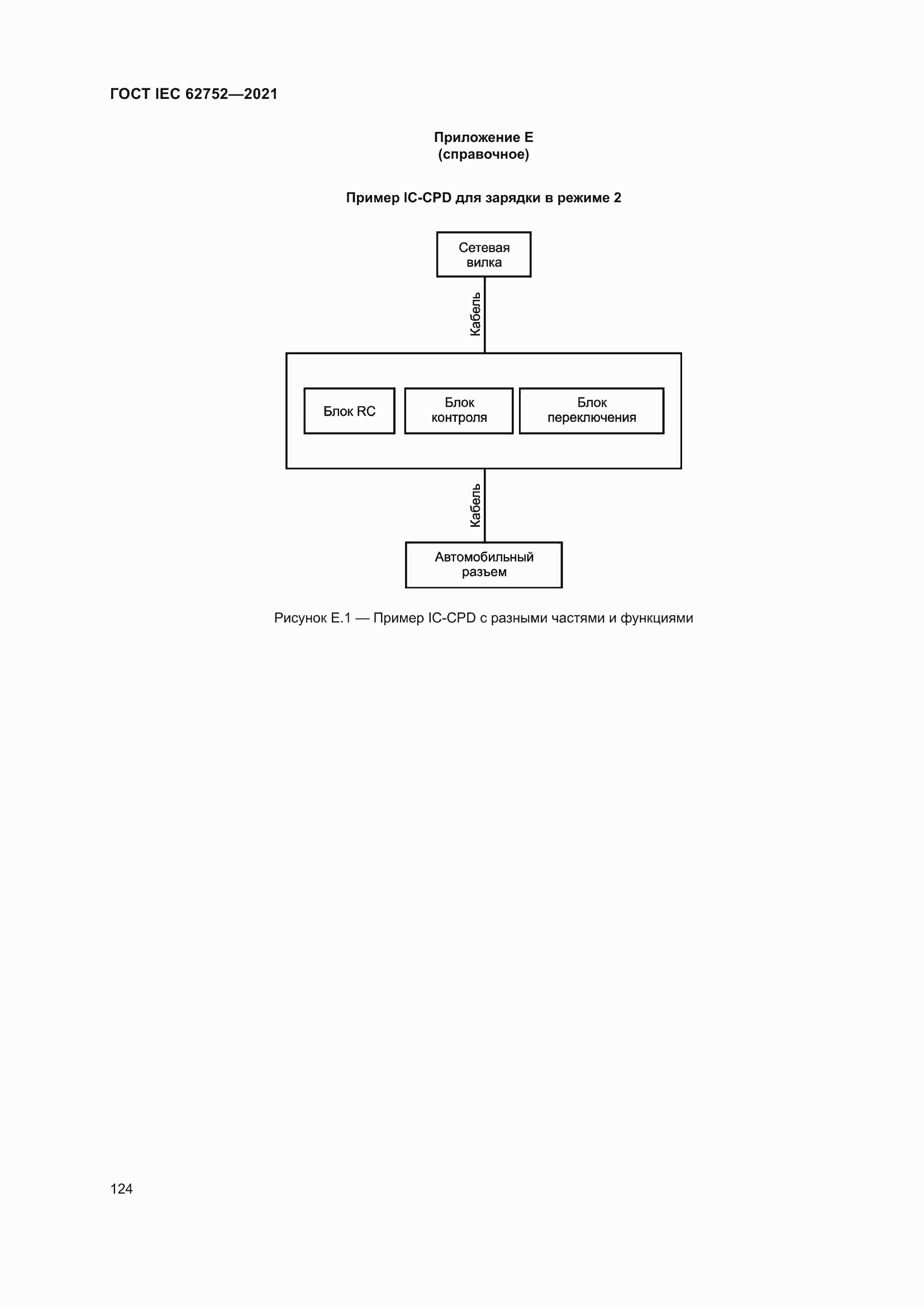
Настоящий стандарт распространяется на кабельные устройства управления и защиты (IC-CPD) для зарядки электрических дорожных транспортных средств в режиме 2, далее именуемые IC-CPD, в том числе устройства управления и безопасности. Настоящий стандарт распространяется на портативные устройства, одновременно выполняющие функции обнаружения дифференциального тока, сравнения значения данного тока с отключающим дифференциальным током и размыкания защищенной цепи, когда дифференциальный ток превышает это значение
Связи и замены
Заменяющий:
-
Описание стандарта
ГОСТ IEC 62752-2021 Кабельный блок управления и защиты для зарядки электромобилей в режиме 2 (IC-CPD)
Страницы стандарта











































































































































