ГОСТы >
29.130.20 Низковольтная коммутационная аппаратура и аппаратура управления >
ГОСТ Р 9.606-2021
ГОСТ Р 9.606-2021 Единая система защиты от коррозии и старения. Электрохимическая защита. Пункты контрольно-измерительные. Общие технические условия
ГОСТ Р
Скачать ГОСТ в PDF или DOC бесплатно
Основная информация
Обозначение:
ГОСТ Р 9.606-2021
Статус:
Действует
Тип:
ГОСТ Р
Название русское:
Единая система защиты от коррозии и старения. Электрохимическая защита. Пункты контрольно-измерительные. Общие технические условия
Название английское:
Unified system of corrosion and ageing protection. Electrochemical protection. Control and measuring points. General specifications
Даты и сроки
Дата издания:
01-11-22
Дата введения в действие:
09-01-22
Дата завершения срока действия:
-
Применение и описание
Область и условия применения:
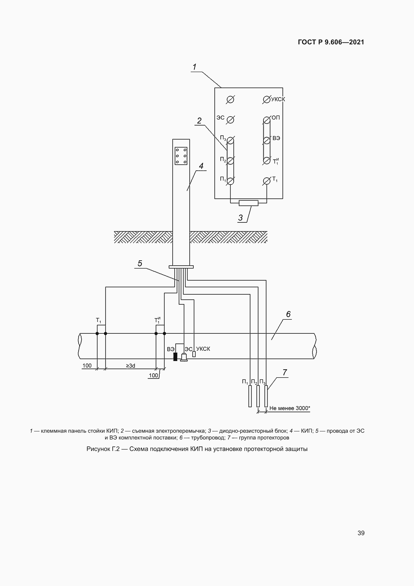
Настоящий стандарт распространяется на контрольно-измерительные пункты, изготовленные из полимерных или композитных материалов, применяемые в системах электрохимической защиты (ЭХЗ) подземных сооружений и предназначенных для контроля защищенности от коррозии и параметров ЭХЗ, коммутации отдельных элементов системы ЭХЗ, обозначения трасс трубопроводов и других металлических подземных сооружений и коммуникаций. Настоящий стандарт устанавливает общие технические требования к контрольно-измерительным пунктам, изготовленным из полимерных или композитных материалов, а также методы и средства, необходимые для проведения испытаний с целью подтверждения соответствия их технических и эксплуатационных характеристик
Связи и замены
Заменяющий:
-
Описание стандарта
ГОСТ Р 9.606-2021 Единая система защиты от коррозии и старения. Электрохимическая защита. Пункты контрольно-измерительные. Общие технические условия
Страницы стандарта

























































