ГОСТ 7.11-78 Система информационно-библиографической документации. Библиографическая запись. Сокращение слов на русском языке. Общие требования и правила
ГОСТ
Скачать ГОСТ в PDF или DOC бесплатно
Основная информация
Обозначение:
ГОСТ 7.11-78
Статус:
Заменен
Тип:
ГОСТ
Название русское:
Система информационно-библиографической документации. Библиографическая запись. Сокращение слов на русском языке. Общие требования и правила
Название английское:
System of standards "Information, libraries and publishing". Abbreviations of words and word combinations in foreign European languages for bibliographical entries
Даты и сроки
Дата издания:
01-01-02
Дата введения в действие:
06-30-79
Дата завершения срока действия:
09-01-05
Применение и описание
Область и условия применения:
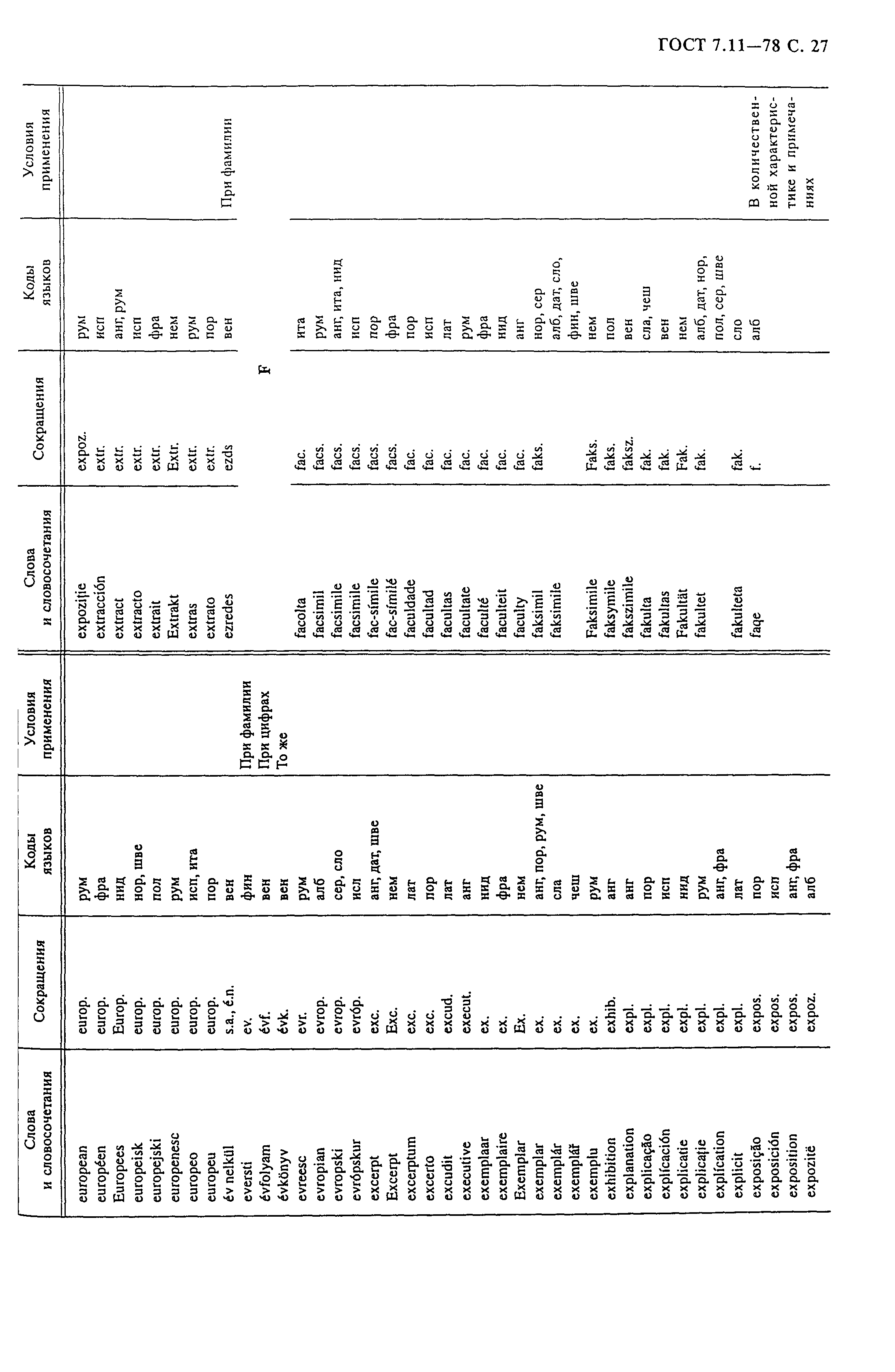
Настоящий стандарт устанавливает правила сокращения слов и словосочетаний на иностранных европейских языках в библиографических описаниях документов для печатных и карточных каталогов и картотек, информационных изданий, а также для прикнижных и пристатейных списков литературы и библиографических ссылок; правила применения сокращений; список сокращений слов (словосочетаний), наиболее часто встречающихся в библиографическом описании, и условия их применения
Связи и замены
Заменяющий:
ГОСТ 7.11-2004
Взамен:
ГОСТ 7.11-70
Изменения и переиздания
Список изменений:
№1 от (рег. ) «Срок действия продлен» №2 от (рег. ) «Срок действия продлен»
Описание стандарта
ГОСТ 7.11-78 Система информационно-библиографической документации. Библиографическая запись. Сокращение слов на русском языке. Общие требования и правила
Страницы стандарта



































































































