ГОСТ Р 52706-2007 Лампы накаливания вольфрамовые для бытового и аналогичного общего освещения. Эксплуатационные требования
ГОСТ Р
Скачать ГОСТ в PDF или DOC бесплатно
Основная информация
Обозначение:
ГОСТ Р 52706-2007
Статус:
Отменен
Тип:
ГОСТ Р
Название русское:
Лампы накаливания вольфрамовые для бытового и аналогичного общего освещения. Эксплуатационные требования
Название английское:
Tungsten filament lamps for domestic and similar general lighting purposes. Рerformance requirements
Даты и сроки
Дата издания:
11-21-07
Дата введения в действие:
01-01-08
Дата завершения срока действия:
05-01-20
Применение и описание
Область и условия применения:
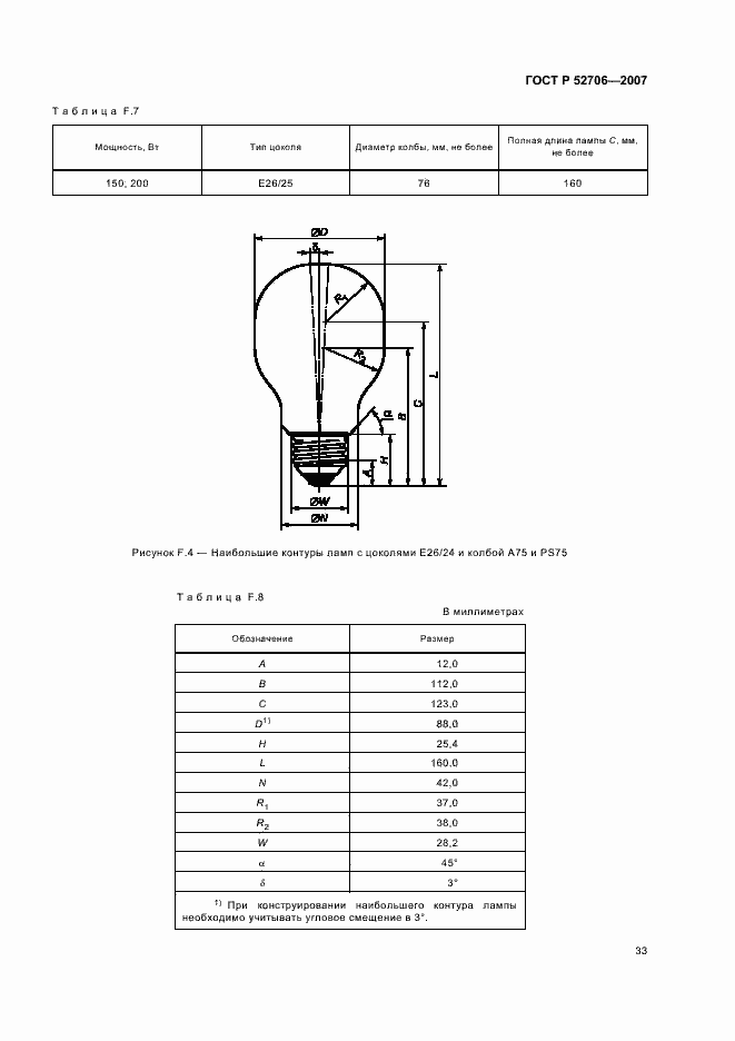
Настоящий стандарт распространяется на вольфрамовые лампы накаливания для бытового и аналогичного общего освещения, удовлетворяющие требованиям безопасности для ламп мощностью до 200 Вт включительно по ГОСТ Р 52712, для ламп мощностью 300 Вт и более по ГОСТ 12.2.007.13 и имеющие: - номинальную мощность от 15 до 200, 300, 500, 750 и 1000 Вт включительно; - номинальное напряжение от 100 до 250 В включительно; если маркируют диапазон напряжения, то предельные значения диапазона не должны отличаться от среднего значения более чем на плюс минус 2,5%;- колбы формы A, PS или М;- колбы прозрачные, матированные или с эквивалентным матированию покрытием, белым покрытием, опаловые, опалиновые или молочные;- цоколи B22d, E26, E27 или Е40. Настоящий стандарт устанавливает эксплуатационные требования, методы испытаний, приемку
Связи и замены
Заменяющий:
-
Взамен:
ГОСТ Р МЭК 60064-99
Описание стандарта
ГОСТ Р 52706-2007 Лампы накаливания вольфрамовые для бытового и аналогичного общего освещения. Эксплуатационные требования
Страницы стандарта

















































