ГОСТ IEC 60400-2011 Патроны для трубчатых люминесцентных ламп и стартеров
ГОСТ МЭК
Скачать ГОСТ в PDF или DOC бесплатно
Основная информация
Обозначение:
ГОСТ IEC 60400-2011
Статус:
Действует
Тип:
ГОСТ МЭК
Название русское:
Патроны для трубчатых люминесцентных ламп и стартеров
Название английское:
Lampholders for tubular fluorescent lamps and starterholders
Даты и сроки
Дата регистрации:
12-22-11
Дата издания:
12-22-13
Дата введения в действие:
01-01-14
Дата завершения срока действия:
-
Применение и описание
Область и условия применения:
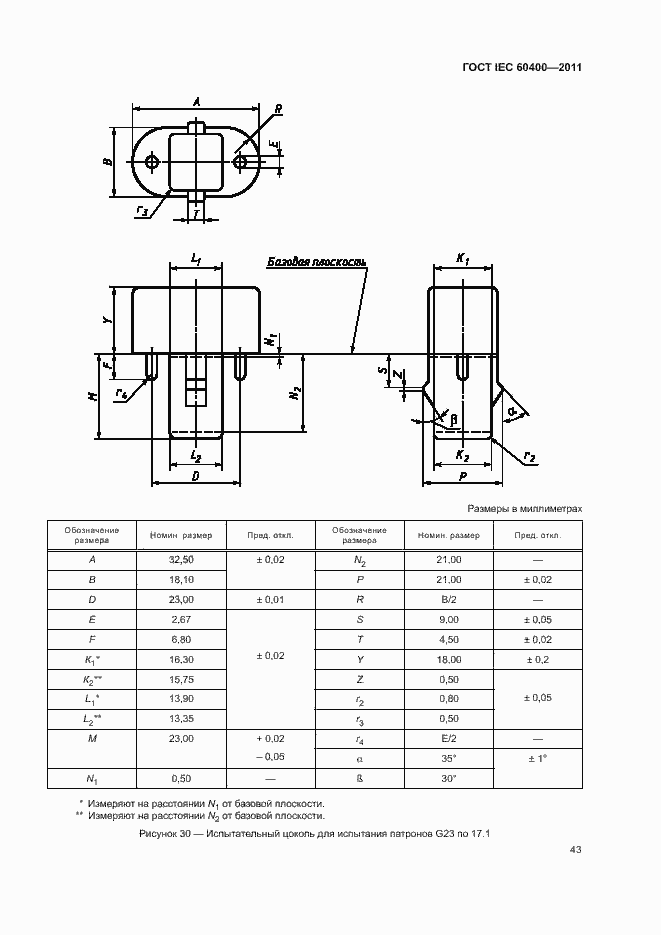
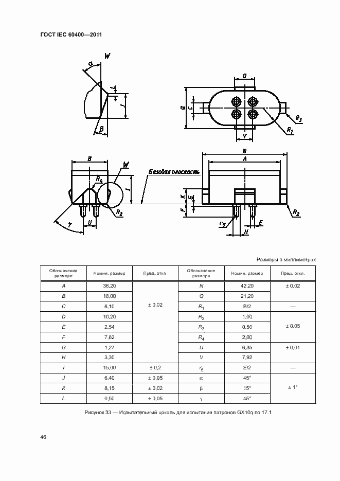
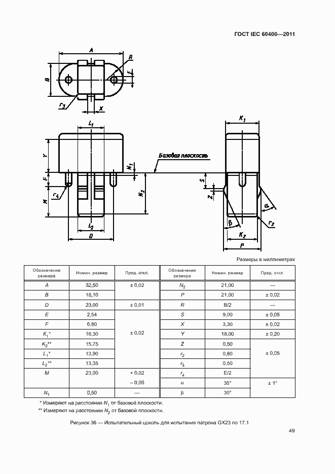
Настоящий стандарт устанавливает размеры и технические требования к патронам для трубчатых люминесцентных ламп и стартеров, а также методы испытаний, которые должны использоваться для оценки безопасности применения и возможности вставления в них ламп и стартеров. Стандарт распространяется на независимые и встраиваемые патроны для трубчатых люминесцентных ламп с цоколями, указанными в приложении А, а также на независимые и встраиваемые патроны для стартеров в соответствии с IEC 60155, предназначенные для включения в сеть переменного тока с действующим значением рабочего напряжения не более 1000 В. Настоящий стандарт также распространяется на патроны для одноцокольных трубчатых люминесцентных ламп, вмонтированный в наружный корпус с донышком, снабженным резьбой, аналогичной патрона с резьбой Эдисона (например для ламп с цоколями G23 и G24). Патроны с круглой резьбой для абажурных колец должны соответствовать последнему изданию IEC 60399. Стандарт, насколько возможно, распространяется на комбинации патронов для ламп и стартеров, на патроны для ламп и указанные комбинации, которые полностью или частично выполнены заодно со светильником, а также на патроны для ламп и стартеров, отличающихся от вышеуказанных, и на ламповые соединители
Связи и замены
Заменяющий:
-
Описание стандарта
ГОСТ IEC 60400-2011 Патроны для трубчатых люминесцентных ламп и стартеров
Страницы стандарта
































































