ГОСТ Р МЭК 61800-2-2012 Системы силовых электроприводов с регулируемой скоростью. Часть 2. Общие требования. Номинальные технические характеристики низковольтных систем силовых электроприводов переменного тока с регулируемой частотой
ГОСТ Р МЭК
Скачать ГОСТ в PDF или DOC бесплатно
Основная информация
Обозначение:
ГОСТ Р МЭК 61800-2-2012
Статус:
Действует
Тип:
ГОСТ Р МЭК
Название русское:
Системы силовых электроприводов с регулируемой скоростью. Часть 2. Общие требования. Номинальные технические характеристики низковольтных систем силовых электроприводов переменного тока с регулируемой частотой
Название английское:
Adjustable speed electrical power drive systems. Part 2. General requirements. Rating specifications for low voltage adjustable frequency a.c. power drive systems
Даты и сроки
Дата издания:
10-08-15
Дата введения в действие:
06-01-13
Дата завершения срока действия:
-
Применение и описание
Область и условия применения:
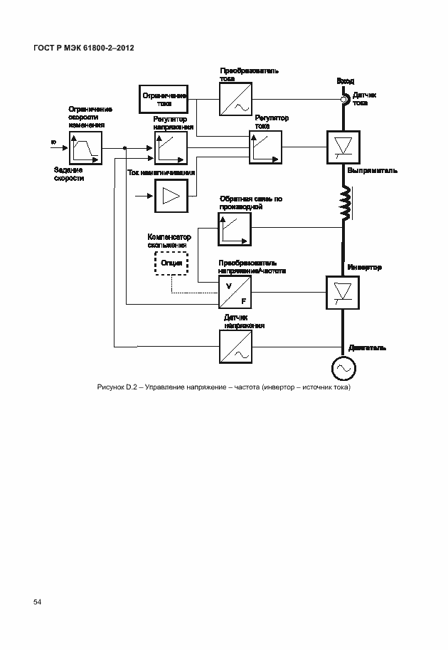
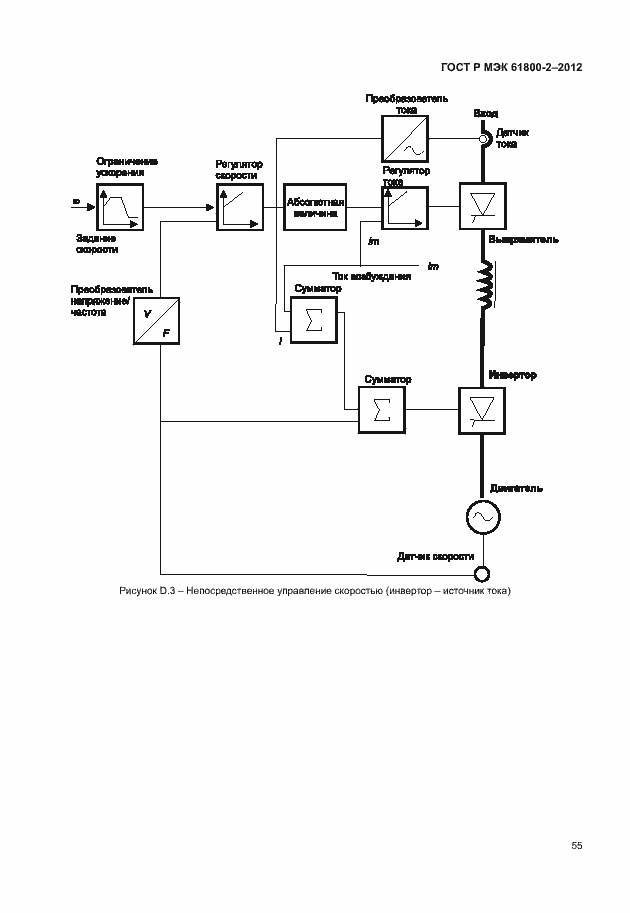
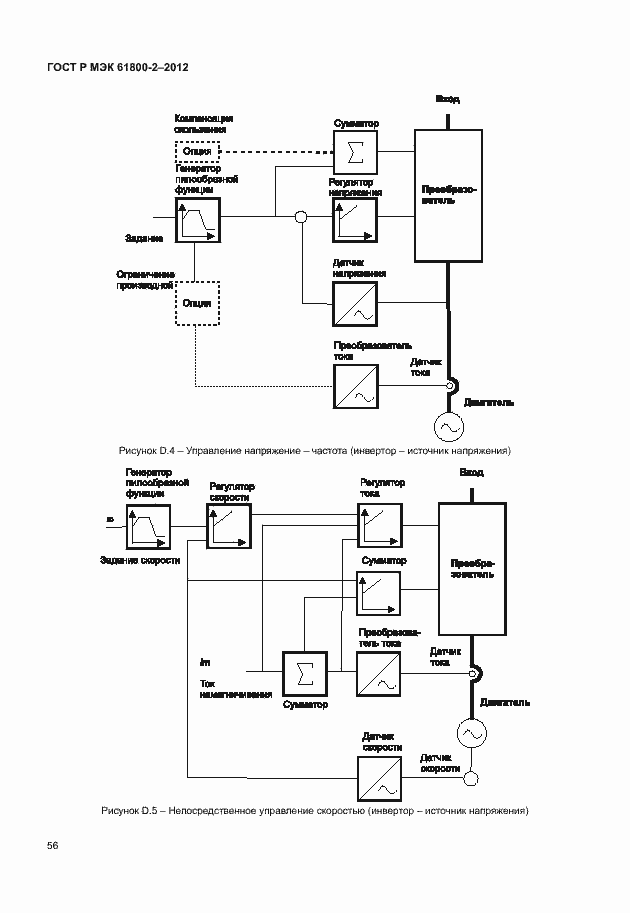
Настоящий стандарт распространяется на системы регулируемых электроприводов переменного тока общего назначения, питающиеся от напряжения переменного тока до 1000 В частотой 50 или 60 Гц, включающие в себя силовой преобразователь линейного напряжения сети в линейное напряжение питания двигателя с частотой до 600 Гц, устройства управления и двигатели переменного тока. Стандарт не распространяется на тяговые электроприводы электрического транспорта. В настоящем стандарте рассмотрены характеристики преобразователей и их взаимосвязь с системой комплектного привода переменного тока, а также установлены требования к их рабочим характеристикам относительно паспортных данных, условий нормальной работы, условий перегрузки, способности выдержать скачки напряжения, устойчивости, защиты, заземления сети переменного тока и испытаний. Кроме того, даны рекомендации по применению, стратегии управления, диагностике и конфигурации системы
Связи и замены
Заменяющий:
-
Описание стандарта
ГОСТ Р МЭК 61800-2-2012 Системы силовых электроприводов с регулируемой скоростью. Часть 2. Общие требования. Номинальные технические характеристики низковольтных систем силовых электроприводов переменного тока с регулируемой частотой
Страницы стандарта













































































