ГОСТ 3484-77 Трансформаторы силовые. Методы испытаний
ГОСТ
Скачать ГОСТ в PDF или DOC бесплатно
Основная информация
Обозначение:
ГОСТ 3484-77
Статус:
Заменен
Тип:
ГОСТ
Название русское:
Трансформаторы силовые. Методы испытаний
Название английское:
Power transformers. Test methods
Даты и сроки
Дата введения в действие:
01-01-78
Дата завершения срока действия:
01-01-90
Связи и замены
Заменяющий:
ГОСТ 3484.1-88 в части разд. 1 - 7; ГОСТ 3484.2-88 в части испытаний на нагрев; ГОСТ 3484.3-88 в части разд. 8; ГОСТ 3484.4-88 в части разд. 10; ГОСТ 3484.5-88 в части разд. 10
Заменяющий в части:
ГОСТ 3484.1-88 в части разд. 1 - 7; ГОСТ 3484.2-88 в части испытаний на нагрев; ГОСТ 3484.3-88 в части разд. 8; ГОСТ 3484.4-88 в части разд. 10; ГОСТ 3484.5-88 в части разд. 10
Изменения и переиздания
Список изменений:
№0 от (рег. ) «Срок действия продлен» №3 от (рег. ) «Срок действия продлен» №4 от (рег. ) «Срок действия продлен»
Описание стандарта
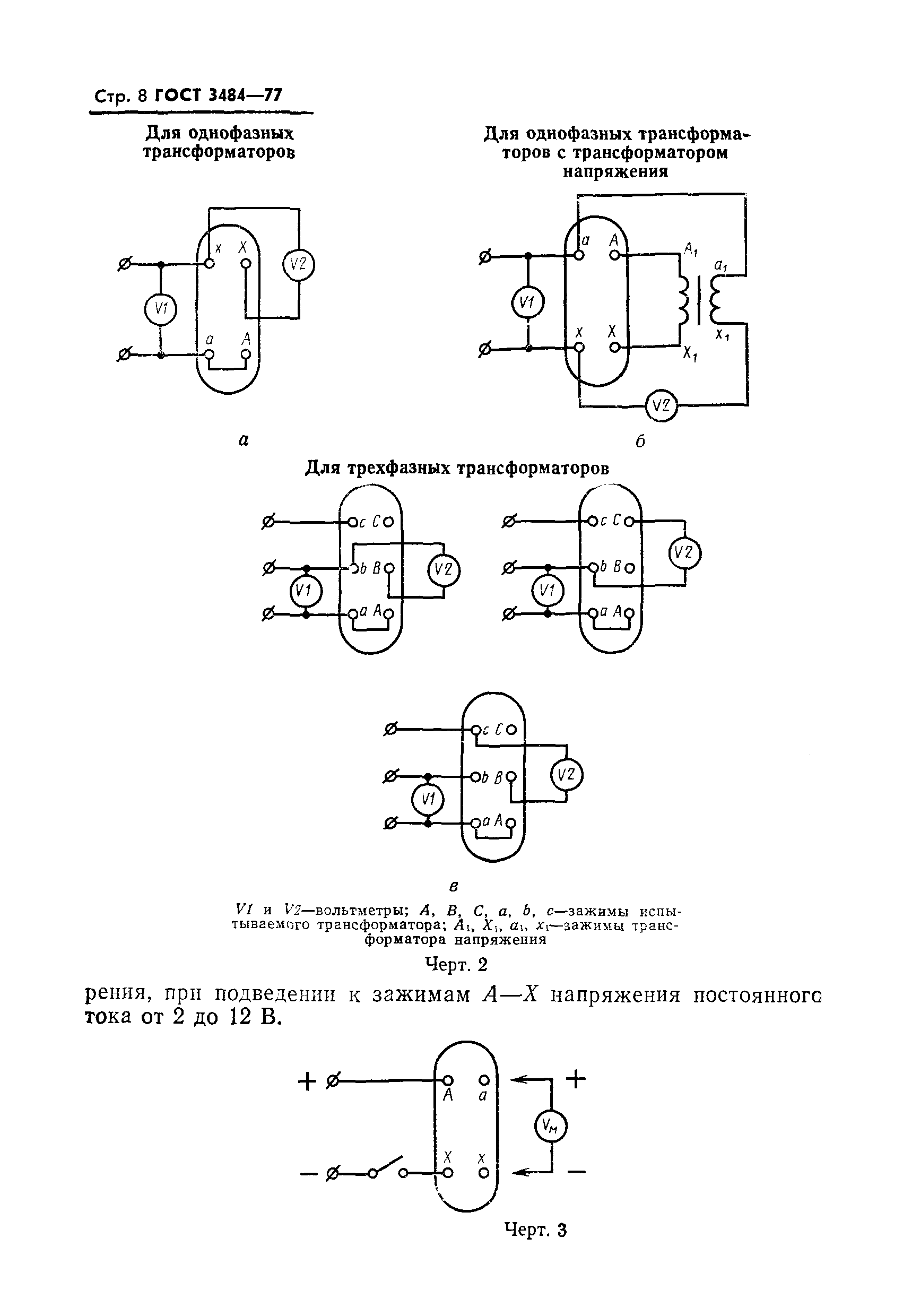
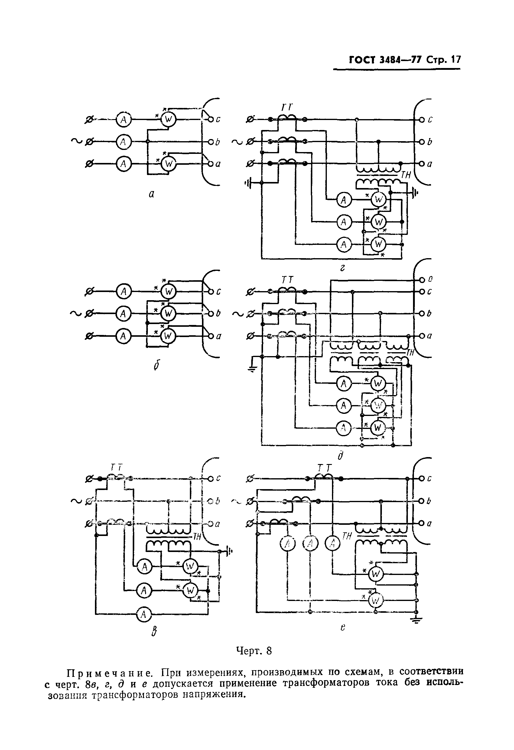
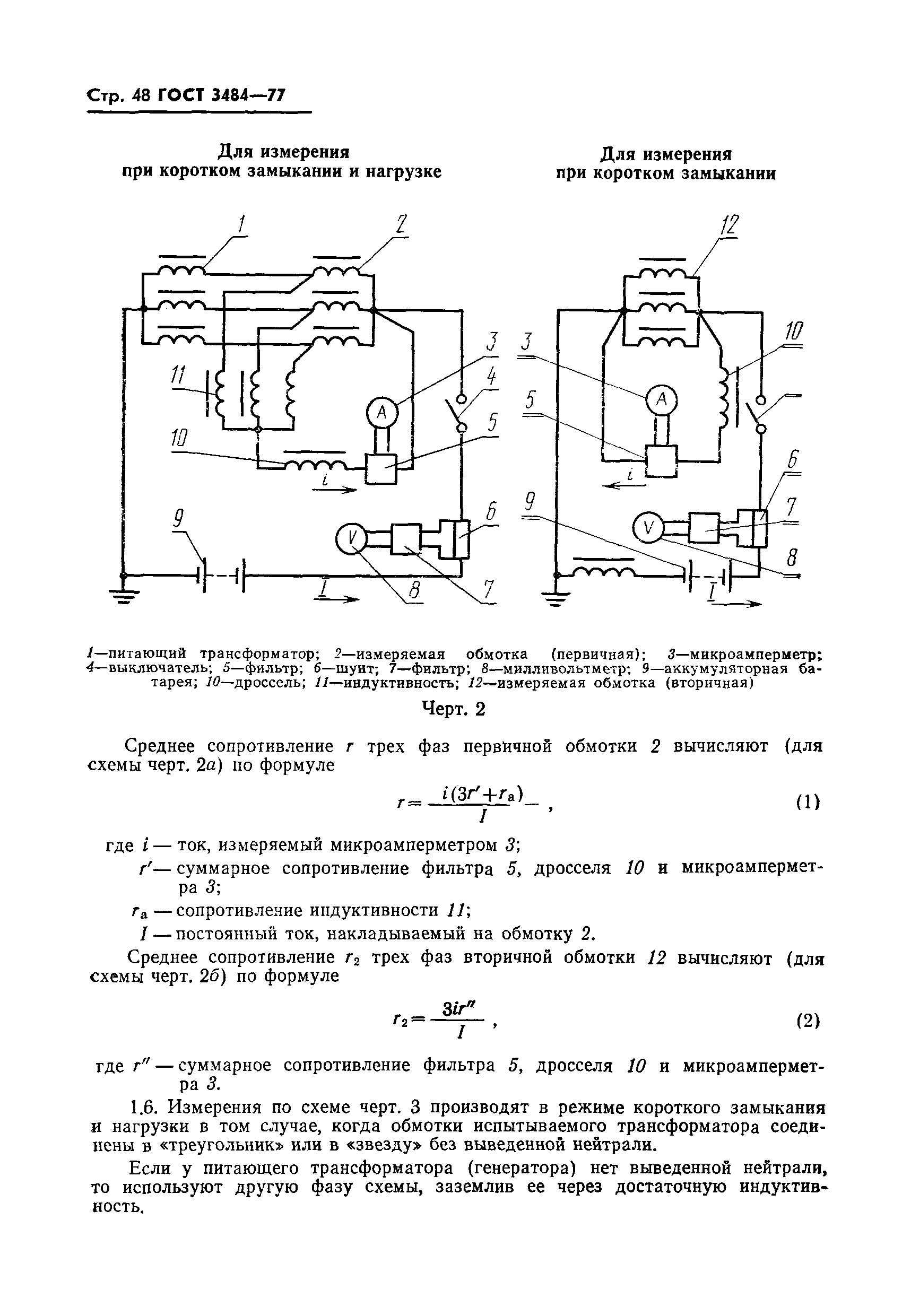
ГОСТ 3484-77 Трансформаторы силовые. Методы испытаний
Страницы стандарта




























































