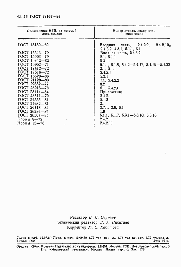
ГОСТ 28167-89 Преобразователи переменного напряжения полупроводниковые. Общие технические требования
ГОСТ
Скачать ГОСТ в PDF или DOC бесплатно
Основная информация
Обозначение:
ГОСТ 28167-89
Статус:
Действует
Тип:
ГОСТ
Название русское:
Преобразователи переменного напряжения полупроводниковые. Общие технические требования
Название английское:
Semiconductor alternating voltage converters. General specifications
Даты и сроки
Дата издания:
09-12-89
Дата введения в действие:
01-01-91
Дата завершения срока действия:
-
Связи и замены
Заменяющий:
-
Взамен в части:
ГОСТ 26830-86 в части преобразователей переменного напряжения
Описание стандарта
ГОСТ 28167-89 Преобразователи переменного напряжения полупроводниковые. Общие технические требования
Страницы стандарта


























