ГОСТ Р МЭК 95-4-93 Свинцово-кислотные стартерные батареи. Часть 4. Размеры батарей для тяжелых грузовиков
ГОСТ Р МЭК
Скачать ГОСТ в PDF или DOC бесплатно
Основная информация
Обозначение:
ГОСТ Р МЭК 95-4-93
Статус:
Заменен
Тип:
ГОСТ Р МЭК
Название русское:
Свинцово-кислотные стартерные батареи. Часть 4. Размеры батарей для тяжелых грузовиков
Название английское:
Lead-acid starter batteries. Part 4. Dimensions of batteries for heavy trucks
Даты и сроки
Дата издания:
03-16-94
Дата введения в действие:
01-01-95
Дата завершения срока действия:
07-01-11
Применение и описание
Область и условия применения:
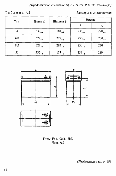
Настоящий стандарт распространяется на свинцово-кислотные стартерные батареи, предназначенные для запуска двигателей, освещения и системы зажигания на тяжелых грузовиках. Настоящий стандарт устанавливает основные размеры стартерных батарей девяти типов: D1, D2, D2a, D3, D3a, D4, D5, D6, D7
Связи и замены
Заменяющий:
ГОСТ Р МЭК 60095-4-2010
Изменения и переиздания
Список изменений:
№1 от (рег. ) «Срок действия продлен»
Описание стандарта
ГОСТ Р МЭК 95-4-93 Свинцово-кислотные стартерные батареи. Часть 4. Размеры батарей для тяжелых грузовиков
Страницы стандарта













