ГОСТ Р 54986-2012 Устройства защиты от импульсных перенапряжений низковольтные. Часть 21. Устройства защиты от импульсных перенапряжений в системах телекоммуникации и сигнализации (информационных системах). Требования к работоспособности и методы испытаний
ГОСТ Р
Скачать ГОСТ в PDF или DOC бесплатно
Основная информация
Обозначение:
ГОСТ Р 54986-2012
Статус:
Отменен
Тип:
ГОСТ Р
Название русское:
Устройства защиты от импульсных перенапряжений низковольтные. Часть 21. Устройства защиты от импульсных перенапряжений в системах телекоммуникации и сигнализации (информационных системах). Требования к работоспособности и методы испытаний
Название английское:
Low voltage surge protective devices. Part 21. Surge protective devices connected to telecommunications and signalling networks. Performance requirements and testing methods
Даты и сроки
Дата издания:
12-16-13
Дата введения в действие:
07-01-13
Дата завершения срока действия:
10-01-15
Применение и описание
Область и условия применения:
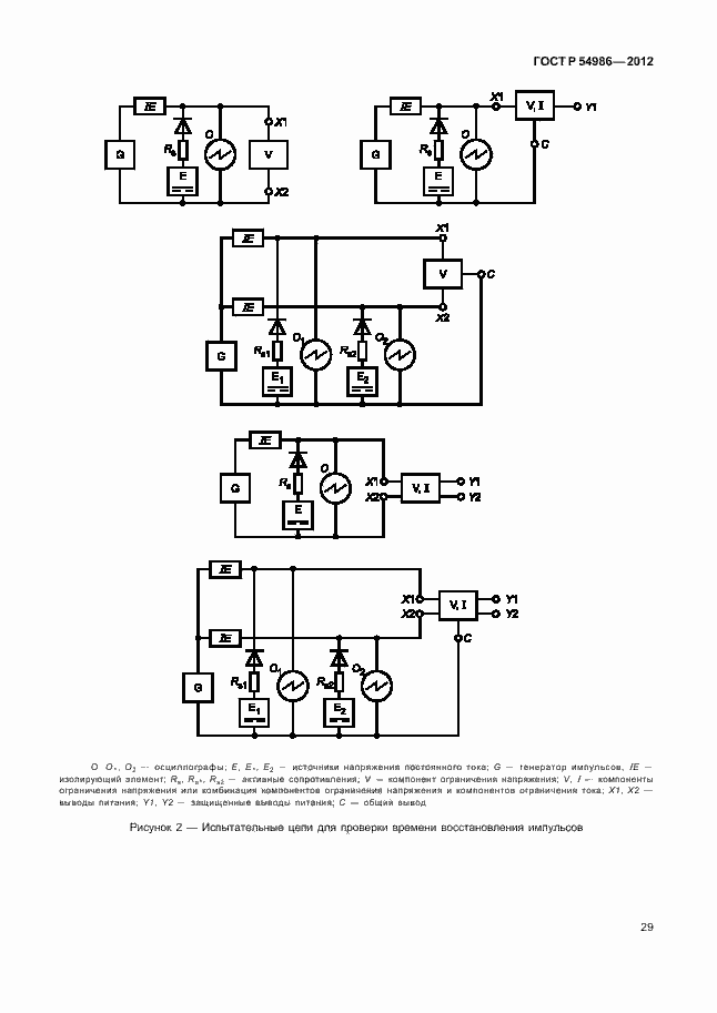
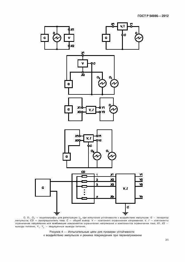
Настоящий стандарт распространяется на устройства для защиты сетей телекоммуникации и сигнализации при прямом или косвенном воздействии грозовых или других переходных перенапряжений. Назначением данных УЗИП является защита современного электронного оборудования в сетях телекоммуникации и сигнализации с паспортными напряжениями системы до 1000 В переменного тока и 1500 В постоянного тока
Связи и замены
Заменяющий:
-
Изменения и переиздания
Список изменений:
№0 от (рег. ) «Текстовое изменение; Изменено заглавие»
Описание стандарта
ГОСТ Р 54986-2012 Устройства защиты от импульсных перенапряжений низковольтные. Часть 21. Устройства защиты от импульсных перенапряжений в системах телекоммуникации и сигнализации (информационных системах). Требования к работоспособности и методы испытаний
Страницы стандарта





















































